Ford Econoline E Series The full size van is alive and well at FMC, with the heart of the F series trucks in both cargo vans and passenger vans.

back-up camera power questions

Thread Tools
 
Search this Thread
 
Old Jul 22, 2021 | 10:39 AM
  #1  
densmore's Avatar
Thread Starter
|
Junior Member
Joined: Jul 2021
Posts: 7
Default back-up camera power questions

anyone know of a good 12v supply that is on when the key is turned on? I am wiring a rear-view mirror based backup camera (no stereo head unit). I want it to be always on when the key is on.

I was thinking dome light from the headliner loom.
 
Old Jul 22, 2021 | 09:26 PM
  #2  
scott.butler4's Avatar
Senior Member
Joined: Apr 2020
Posts: 1,077
Default

What year and engine do you have?
 
Old Jul 23, 2021 | 02:00 PM
  #3  
densmore's Avatar
Thread Starter
|
Junior Member
Joined: Jul 2021
Posts: 7
Default

Originally Posted by scott.butler4
What year and engine do you have?
2003 e350 7.3l diesel
 
Old Jul 24, 2021 | 07:29 AM
  #4  
scott.butler4's Avatar
Senior Member
Joined: Apr 2020
Posts: 1,077
Default

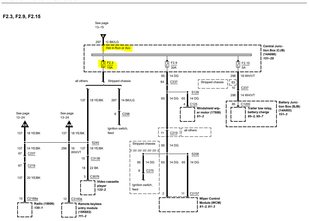
OK this should work, central junction box(interior fuse box) fuse 3 should only have voltage when key is at accessory and run.
I would remove the fuse, bring it to an auto part store and buy a matching "add a fuse" to provide you a power wire.



 
Old Jul 24, 2021 | 09:55 AM
  #5  
densmore's Avatar
Thread Starter
|
Junior Member
Joined: Jul 2021
Posts: 7
Default

thank you so much
 
Related Topics
Thread
Thread Starter
Forum
Replies
Last Post
acinatx
Ford F-250 & Ford F-350
7
Jun 13, 2022 09:11 PM
maurerc
General Tech
1
Apr 30, 2020 01:35 PM
jhd123
Ford Sport Trac
0
Apr 21, 2014 03:31 PM
skyy1963
Ford Expedition
0
Oct 21, 2008 10:33 AM




All times are GMT -5. The time now is 12:07 AM.