Service manual suggestions?
For a affordable paper manual I like Haynes. That said Haynes are not remotely comparably to the Ford workshop manual, I believe you can buy paper versions but its expensive. There is also the option to subscribe to a website like Alldata, MichelleOne, ect. Its a monthly/annual charge but gives you access to most all brand and models factory workshop manual.
I think I'll grab a Haynes and if that's not enough sign up for Alldata, it seems cheap enough. Anyone have experience with service manuals from Dardoor? I came across the site but I'm skeptical for $15... and it says, "original OEM service and workshop repair manual of the 2015-2017 Ford Expedition". Here's the link:
https://dardoor.com/product/2015-201...repair-manual/
https://dardoor.com/product/2015-201...repair-manual/
The sample pages look like they are taken straight from the ford workshop manual. It looks like its a PDF so that may explain why its so cheap since they can just sell millions of copies of the PDF till the world ends. That said its gonna be one hell of a long PDF to look though and only worth printing out the needed pages for each job your doing. For the price its probably worth risking it especially if it includes diag steps for electrical fault codes and also how to remove interior trim panels that Haynes does not include.
Considering the price I may see if they have manuals for my vehicles.
Considering the price I may see if they have manuals for my vehicles.
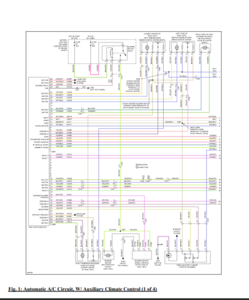
So I went ahead and paid for the download and you were right, it was worth the risk. 249 files in 27 folders. I've looked through the section on brakes, which is currently what I want to attempt (never done it) and it seems pretty detailed so I feel good about it. I'm not sure where you'd find the electrical fault code info but I've attached a few screen shots of the main folders and then a shot of the electrical folder opened to show the files in it and then an example of one of the wiring diagrams just to show what's in there.
They don't have every car on the planet of course and in fact didn't have a manual for my 09' MB E350 which I would have thought was odd since they had service manuals for cars like Porsche. Actually kind of a strange site, a bit disorganized but either click on the left and it lists cars in no particular order or use the search box. Anyway, thanks for the help and hopefully this helps anyone else looking for a service manual on the cheap.
They don't have every car on the planet of course and in fact didn't have a manual for my 09' MB E350 which I would have thought was odd since they had service manuals for cars like Porsche. Actually kind of a strange site, a bit disorganized but either click on the left and it lists cars in no particular order or use the search box. Anyway, thanks for the help and hopefully this helps anyone else looking for a service manual on the cheap.
Awesome. Thanks for pointing out where to find PDF manuals. Honestly, I’m not very good at searching on my own. I’ve also been wanting to find a PDF tool to edit these PDF manuals. Someone recommended an article https://timesofmalta.com/article/pdf...rms-a2.1098065 about PDF Guru. Honestly, after trying it, I can say it’s very easy to use, which is a big plus for me since I’m not very experienced with this. On top of that, it works online, which I think is great.
Last edited by chitcheape; Dec 24, 2025 at 05:33 AM.
Thread
Thread Starter
Forum
Replies
Last Post
HansonHVAC
Other Makes/Models owned by Ford Motor Company
0
Mar 17, 2007 12:29 PM



