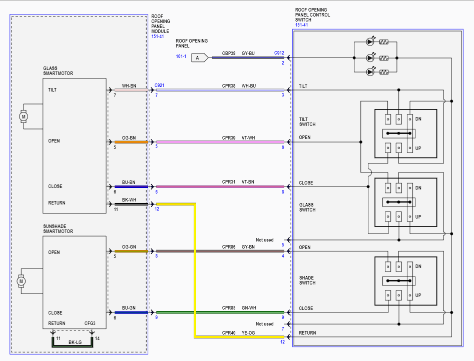
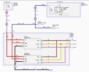
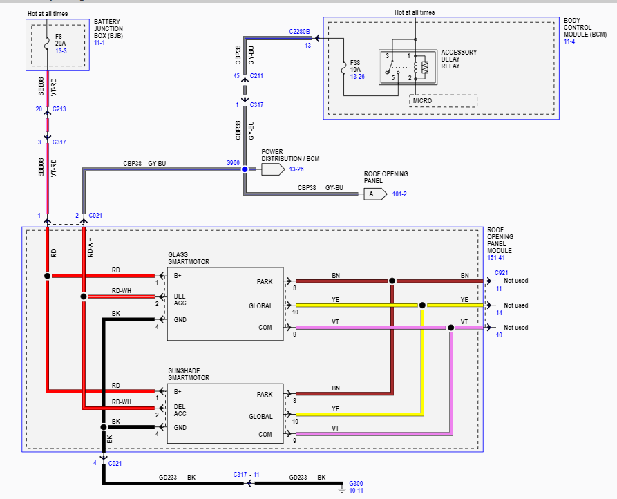
2012 moon roof
My moon roof motor got wet and burnt out I replaced the motor and switch and checked the fuse ( number 8 fuse in the engine bay) but it still is not working. Have I missed something? Can't even get it to initialize. Help
motor looks good but I will have to take everything out and look at the plug to the motor tomorrow
I have tried to follow them but just don't really know how to read them I know I have power to the plug on the piller but not sure after that . Thank you for your help
Thread
Thread Starter
Forum
Replies
Last Post



