To saltflat
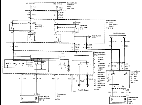
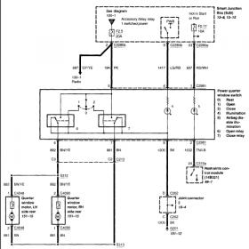
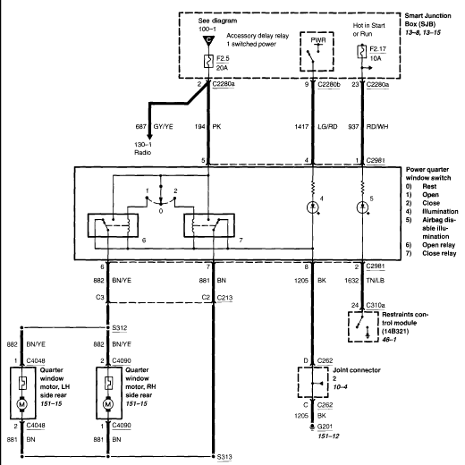
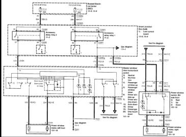
Here ya go. Please post your original question or problem here so it may help someone else. Usually if the motor makes noise and the window will not mpove, the brushes and armature are shot. You might need to enlarge them a little to see it better.


Last edited by way2old; Oct 13, 2011 at 06:07 PM.



