Ford Fusion The next installation in the Ford sedan lineup not only joins as the new mid sized sedan, but also as the Ford entry for NASCAR.

Power Blind Spot BLIS mirrors

Thread Tools
 
Search this Thread
 
Old Sep 29, 2020 | 09:33 AM
  #1  
Will K's Avatar
Thread Starter
|
Junior Member
Joined: Sep 2020
Posts: 2
Default Power Blind Spot BLIS mirrors

Hi folks, new to forum. We purchased a 2020 Fusion SE a few days ago. We asked Ford dealer salesman if the new Fusion had heated mirrors and he told us yes. The new Fusion has the power Blind Spot BLIS mirrors but we have just discovered they are not heated!!! This is rather disappointing for us since we specifically asked about the mirrors and were told "yes, they are heated". Can the power blind spot BLIS mirrors we have be replaced with heated power blind spot BLIS mirrors? I just cannot understand with all the extras on our new car that heated mirrors were not included.
 
Old Sep 29, 2020 | 04:05 PM
  #2  
scott.butler4's Avatar
Senior Member
Joined: Apr 2020
Posts: 1,077
Default

So on these vehicles the blind spot sensors are located next to the taillights. All the mirrors have is a indicator for if it senses a vehicle.
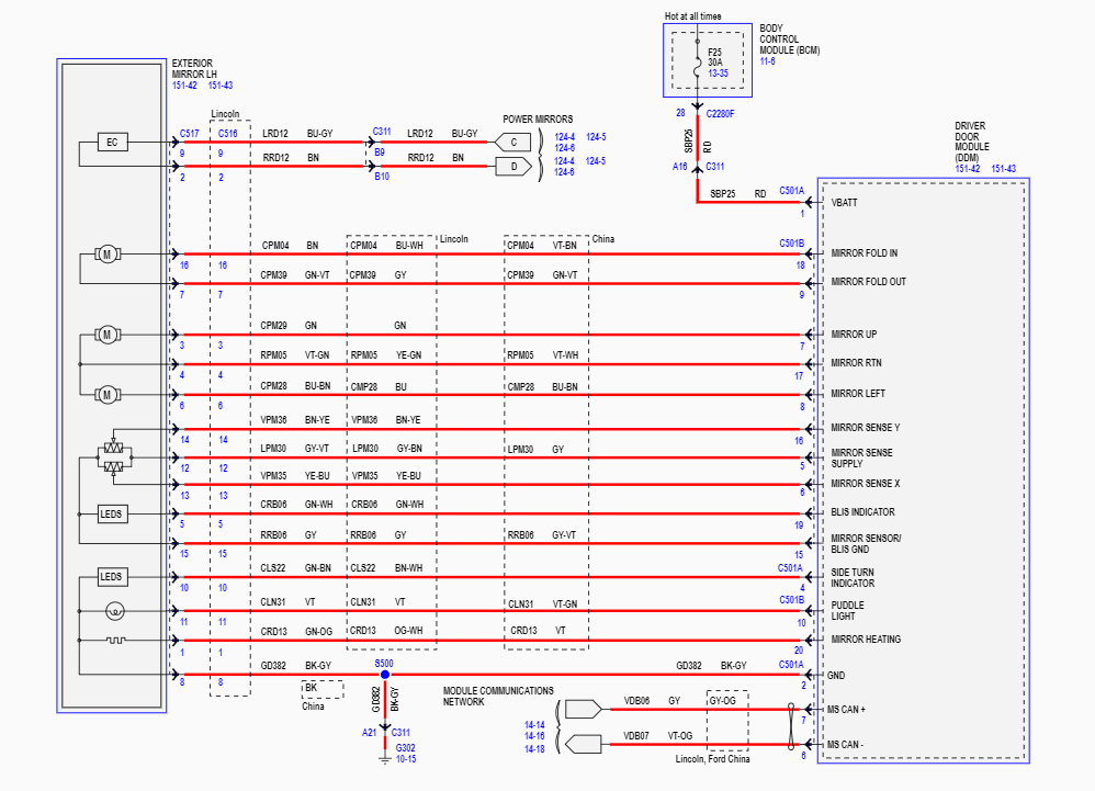
Here is the wiring diagram, it doesnt list the heated mirrors wiring as optional so I would assume it is included.
Why do you think the vehicle does not have heated mirrors? They come on at the same time as the rear defrost does.

 
Old Sep 29, 2020 | 06:25 PM
  #3  
Will K's Avatar
Thread Starter
|
Junior Member
Joined: Sep 2020
Posts: 2
Default

Thanks for the info scott.butler4. When I turned rear window defogger on this morning, rear window cleared but it did not clear the mirrors.

So the wiring for heated mirrors is there, it just needs to be plugged into mirrors that have the capability?
 
Old Sep 29, 2020 | 07:23 PM
  #4  
scott.butler4's Avatar
Senior Member
Joined: Apr 2020
Posts: 1,077
Default

That is what I would assume but without removing the mirror glass I cannot tell you.
 
Related Topics
Thread
Thread Starter
Forum
Replies
Last Post
Greg Goldman
Ford F-250 & Ford F-350
1
Feb 28, 2020 10:54 AM
Ray 2020
Ford Ranger
0
Oct 28, 2019 01:00 PM
rbehm62
Ford F-250 & Ford F-350
0
Jan 7, 2018 04:10 PM
samson09
Ford Freestar
0
Oct 25, 2017 01:01 AM
mrhyde
Ford F-250 & Ford F-350
0
Oct 18, 2010 06:32 PM




All times are GMT -5. The time now is 08:50 AM.