washer fluid motor not working, ford dealer refused service
Good afternoon,
I just bought my first P71 -2008. Have issue with washer fluid motor. Bought new one-aftermarket-not Motorcraft. When i apply voltage to the motor-from the battery-it works.
My multimeter reads voltage coming from the wiring plug and starting slowly at 5.8v builts up to about 12.2v .
Has anyone had this issue before?
I took car to Ford dealership and they refused to work on stating that its too old and has high mileage. 165K .
I just bought my first P71 -2008. Have issue with washer fluid motor. Bought new one-aftermarket-not Motorcraft. When i apply voltage to the motor-from the battery-it works.
My multimeter reads voltage coming from the wiring plug and starting slowly at 5.8v builts up to about 12.2v .
Has anyone had this issue before?
I took car to Ford dealership and they refused to work on stating that its too old and has high mileage. 165K .
Thank You for the reply.
I did tested motor before i had replaced it - that's why I ordered replacement- and I did bench tested new motor in my kitchen bench. It does work and there is fluid coming out. (It was just water I poured in for testing purpose.)
I will continue identifying location of the other parts this weekend and keep You updated.
Thank You again
I did tested motor before i had replaced it - that's why I ordered replacement- and I did bench tested new motor in my kitchen bench. It does work and there is fluid coming out. (It was just water I poured in for testing purpose.)
I will continue identifying location of the other parts this weekend and keep You updated.
Thank You again
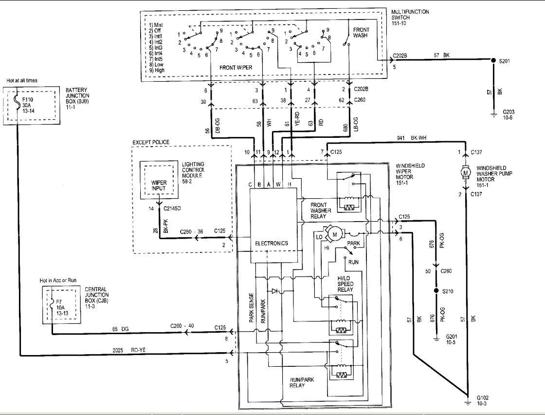
Please note the flow is: Multifunction Switch -> Wiper Motor -> Washer Relay -> Washer Pump Motor
When you bench test the washer pump motor that is to bypass pin-7 (circuit 941) of wiper motor (C125). You stated that you checked the wiring plug previously and you got 5.8V initially, do you remember were you checking pin-7 of C125?
Can you get to the washer relay, is it built in to the wiper motor?
Between multifunction switch and wiper motor is straight forward, the switch sends ground signal to the wiper motor, so if you check resistance on good ground source against C125-12 (checking circuit 680), and when you get 5ohm or less, then Multifunction Switch -> Wiper Motor is good. You can move on to test Wiper Motor -> Washer Relay. Hope you don't have to replace the entire C125.
Last edited by heiko; Aug 20, 2025 at 07:26 PM.
I zoomed in and enlarged just the relay section and labeled them. Note that this relay schematic is non-standard. DIN 72552 standard should be COM=30, NO=87, NC=87A.
C125 - Wiper Motor
C137 - Washer Pump Motor
C202B - Multifunction Switch
87A gets ground at all times (C125-6 <- G102)
85 gets ground thru circuit 680 and the washer button is pressed (C125-12 <- C202B-2 <-C202B-5 <- G203)
86 gets power (ACC/RUN) thru circuit 65 (C125-8 <-F7-10A Fuse)
87 gets power (always hot) thru circuit 2025 (C125-5 <-F110-30A Fuse)
30 connects to C137 thru circuit 941 (C125-7 -> C137-1)
when relay is NOT energized:
- 30 connects to 87A (C125-7 connects to C125-6)
- C125-7 passes ground signal thru circuit 941 to C137-1
when relay is energized:
- C137-1 gets power from 30
- 30 connects to 87 (gets power from F110-30A Fuse)
Original diagram is shown below.
Last edited by heiko; Aug 21, 2025 at 12:16 AM.
Thank You for your support. I did google original part number vs the part number i did ordered. These are different. wg-315 is not wg318 . i believe, that i had ordered the wrong part. to begin with. This may be the reason why it does not work.
New- and this time correct part is ordered. I will post next week .
I apologize for inconvenience and being not through when ordering parts.
New- and this time correct part is ordered. I will post next week .
I apologize for inconvenience and being not through when ordering parts.
Thank You for your reply.
It would take about 2-5 sec between the reads. I do have to admit, that i had used cheap 5$ meter from harbour freight. That is not accurate meter to start with.
I do have professional grade meter- which i do use every day at my work. The probes from that meter did not fit the inside the plug- they were too big. That is the reason why i did use the spare crap meter. The probes did fit. . Be honest, i do not trust the cheap meter.
I will take another reading again.This time, from the real meter.
This will take place when new pump arrives.
My conclusion to this is, that cheap meter has fluctuations', and it does. I had seen this before.
I did check-metered - all fuses and visually inspect relays and cabling.
It would take about 2-5 sec between the reads. I do have to admit, that i had used cheap 5$ meter from harbour freight. That is not accurate meter to start with.
I do have professional grade meter- which i do use every day at my work. The probes from that meter did not fit the inside the plug- they were too big. That is the reason why i did use the spare crap meter. The probes did fit. . Be honest, i do not trust the cheap meter.
I will take another reading again.This time, from the real meter.
This will take place when new pump arrives.
My conclusion to this is, that cheap meter has fluctuations', and it does. I had seen this before.
I did check-metered - all fuses and visually inspect relays and cabling.
When you checked C137-1 and C137-2 and you got 5.8V initially with 2-5 seconds delay to reach 12V, here are the possibilities:
1) your relay was energized with a low pickup voltage, specifically terminal 86 provided, say 9 to 11V
2) terminal 85 sent very high resistance ground signal to the relay
3) terminal 87 had poor connection (i.e. dirty relay terminal)
4) your relay is defective internally
Please note a 12V relay does NOT take 12V feed from terminal 86 to energize, even 9V can energize a 12V relay and the minimum voltage required to energize a relay is called pickup voltage. A relay takes only 0.05 seconds to energize. So a 2-5 seconds delay can happen when the pickup voltage was below 12V. Same can be said when your engine is running and your battery is getting 14.5V, the relay takes LESS THAN 0.05 seconds when the pickup voltage is higher than the nominal voltage (12V) . When the relay was energized with a low pickup voltage at 9V, that can cause unreliable operation and reduce the lifespan of the relay as well as overheating and cause your new motor to go bad in a few days. The 9V at terminal 86 itself has no direct relationship to the 5.8V you received, it's the low pickup voltage, yet sufficient to energize it, that can cause all kind of weird issues, you can see what's going on internally when your relay has transparent housing, you can search amazon or ebay look for spdt 12v relay with transparent housing.
The 5.8V has more to do with terminal 87's voltage. When the relay is energized, terminal 30 connects to 87, as simple as that. When 87 gives 5.8V, 30 gets 5.8V. The unstable voltage can be a good sign that your terminal 87 and/or terminal 30 need deep cleaning on the terminals, you can use 91% isopropyl alcohol in spray bottle.
When you get a chance you should test the relay with the motor disconnected, you need to test 30, 85, 86, and 87. That's why I zoomed in and enlarged and labeled just the relay section for you previously in post # 6 above.
1) your relay was energized with a low pickup voltage, specifically terminal 86 provided, say 9 to 11V
2) terminal 85 sent very high resistance ground signal to the relay
3) terminal 87 had poor connection (i.e. dirty relay terminal)
4) your relay is defective internally
Please note a 12V relay does NOT take 12V feed from terminal 86 to energize, even 9V can energize a 12V relay and the minimum voltage required to energize a relay is called pickup voltage. A relay takes only 0.05 seconds to energize. So a 2-5 seconds delay can happen when the pickup voltage was below 12V. Same can be said when your engine is running and your battery is getting 14.5V, the relay takes LESS THAN 0.05 seconds when the pickup voltage is higher than the nominal voltage (12V) . When the relay was energized with a low pickup voltage at 9V, that can cause unreliable operation and reduce the lifespan of the relay as well as overheating and cause your new motor to go bad in a few days. The 9V at terminal 86 itself has no direct relationship to the 5.8V you received, it's the low pickup voltage, yet sufficient to energize it, that can cause all kind of weird issues, you can see what's going on internally when your relay has transparent housing, you can search amazon or ebay look for spdt 12v relay with transparent housing.
The 5.8V has more to do with terminal 87's voltage. When the relay is energized, terminal 30 connects to 87, as simple as that. When 87 gives 5.8V, 30 gets 5.8V. The unstable voltage can be a good sign that your terminal 87 and/or terminal 30 need deep cleaning on the terminals, you can use 91% isopropyl alcohol in spray bottle.
When you get a chance you should test the relay with the motor disconnected, you need to test 30, 85, 86, and 87. That's why I zoomed in and enlarged and labeled just the relay section for you previously in post # 6 above.
Last edited by heiko; Aug 24, 2025 at 03:59 AM.


