Coolant tube ID?
Hi. I'm new to this forum and need some help. I am working on my neighbor's 1998 E150 4.2l conversion. She's got a couple of coolant leaks that required using using UV detectable dye to locate. The first leak is from the top of the radiator that is apparently split in a straight line that is so fine that it appears that it could have been cut with an X-acto knife. I've purchased a new radiator to remedy that problem.
The second leak is a puzzle for me because I'm not familiar with the part, and I haven't dismantled enough of the surrounding stuff to detect what is connected to what. This sounds confusing, I'm sure, but that's because it's hard for me to describe the part. It's a metal tube that connects somewhere at the top of the water pump, and branches off in several branches which have various sized rubber hoses clamped to it. I haven't yet traced where everything goes. As soon as I get a chance, I can take some photos and post them, which will make it much clearer than my lame description. By the way, the second leak (which is why I'm concerned about this tube) seems to be a pinhole about midway up said tube.
If this rings a bell for anyone with more experienc than I have with these vehicles (especially w/the 4.2, which I've never worked on before) I would greatly appreciat some help. I'v tried to find a coolant system or even just a hose diagram for this vehicle, but have not had any luck. I'm at the point of screaming--HELP!
Thanks.
The second leak is a puzzle for me because I'm not familiar with the part, and I haven't dismantled enough of the surrounding stuff to detect what is connected to what. This sounds confusing, I'm sure, but that's because it's hard for me to describe the part. It's a metal tube that connects somewhere at the top of the water pump, and branches off in several branches which have various sized rubber hoses clamped to it. I haven't yet traced where everything goes. As soon as I get a chance, I can take some photos and post them, which will make it much clearer than my lame description. By the way, the second leak (which is why I'm concerned about this tube) seems to be a pinhole about midway up said tube.
If this rings a bell for anyone with more experienc than I have with these vehicles (especially w/the 4.2, which I've never worked on before) I would greatly appreciat some help. I'v tried to find a coolant system or even just a hose diagram for this vehicle, but have not had any luck. I'm at the point of screaming--HELP!
Thanks.

Last edited by vltjr; Mar 27, 2010 at 12:55 AM.
Here are some photos of my problem part.
http://pbckt.com/sE.0KU
The pinhole leak is at the rear of the narrow margin that is indicated by the Xs on each side of the narrow joint or margin (visible at the upper left of the open portion of the thermostat outlet).
The other problem area is at the base where the pipe/hose attaches at the top of the water pump, apparently by the means of the triangular plate which has a visibly empty bolt hole to the right.
Hope the photos can help someone help me out.
Thanks again,
vltjr
http://pbckt.com/sE.0KU
The pinhole leak is at the rear of the narrow margin that is indicated by the Xs on each side of the narrow joint or margin (visible at the upper left of the open portion of the thermostat outlet).
The other problem area is at the base where the pipe/hose attaches at the top of the water pump, apparently by the means of the triangular plate which has a visibly empty bolt hole to the right.
Hope the photos can help someone help me out.
Thanks again,
vltjr
replace tube to water pump. install missing bolt at bracket to pump. Try using a heal bar to work it out(lots of rust solvent also). It has an o-ring on tube at pump, which siezes in hole. Rust solvent and a little torch heat should do the trick. Also replace heater hoses and clamps while you have it all apart. Good Luck!
gauge7--thanks for responding. I pretty much figured that the water pump pipe would have to be replaced (considering the pinhole leak), but that's where I ran into a couple of problems. First, without being able to find some sort of cooling system or hose diagram, I couldn't be certain of how the tube is attached, except for the hex bolt that I removed. I've been afraid that if I forced it too much I'd be fighting some non-visible fastener and create more problems for myself. I was hoping to find an exploded view catalog diagram which would allow me to clearly see what the removal would entail. It would also give me the official name and part number for the pipe, which I'm also having no luck with. I've searched through several parts retailers' catalogs, but haven't seen this part. I'm guessing that it's a relatively specialized part, and that it might only be available from Ford.
Thanks to everybody who has viewed this thread, and any more help will be greatly appreciated.
Thanks to everybody who has viewed this thread, and any more help will be greatly appreciated.
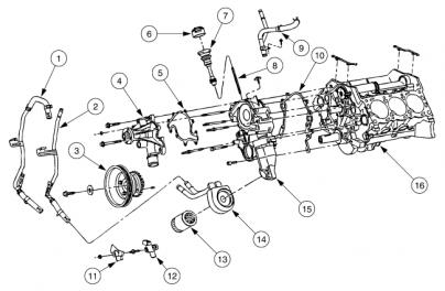
#9... Heater/Water outlet tube...
Item/Part Number Description ..
1 6N867 Engine Oil Cooler Inlet Tube and Hose
2 6N866 Engine Oil Cooler Outlet Tube and Hose
3 6312 Crankshaft Pulley
4 8501 Water Pump
5 8507 Water Pump Housing Gasket
6 12A112 Camshaft Position Sensor
7 12A362 Camshaft Synchronizer
8 6A618 Oil Pump Intermediate Shaft
9 18663 Heater Water Outlet Tube
10 6020 Engine Front Cover Gasket
11 6K342 Crankshaft Position Sensor Upper Shield
12 6C315 Crankshaft Position Sensor
13 6714 Oil Bypass Filter
14 6A642 Oil Cooler
15 6019 Engine Front Cover
16 6010 Cylinder Block
Item/Part Number Description ..
1 6N867 Engine Oil Cooler Inlet Tube and Hose
2 6N866 Engine Oil Cooler Outlet Tube and Hose
3 6312 Crankshaft Pulley
4 8501 Water Pump
5 8507 Water Pump Housing Gasket
6 12A112 Camshaft Position Sensor
7 12A362 Camshaft Synchronizer
8 6A618 Oil Pump Intermediate Shaft
9 18663 Heater Water Outlet Tube
10 6020 Engine Front Cover Gasket
11 6K342 Crankshaft Position Sensor Upper Shield
12 6C315 Crankshaft Position Sensor
13 6714 Oil Bypass Filter
14 6A642 Oil Cooler
15 6019 Engine Front Cover
16 6010 Cylinder Block
Last edited by Hayapower; Mar 27, 2010 at 09:19 PM.
Hayapower-Thanks for the info; this was exactly what I needed. By the way, do you know where I can find or get access to these parts lists and diagrams?
Also, I've been searching for the part (heater water outlet tube, Part #18663) all day, without any success. None of the Ford dealer parts departments are open today, but as I mentioned in an earlier post, I'm guessing a dealer is my only source, so waiting until tomorrow is what I'll have to do. Does anyone know if maybe Napa, or some other major retailer could or would order it for me, and possibly save me a decent amount of cash?
Thanks again.
Also, I've been searching for the part (heater water outlet tube, Part #18663) all day, without any success. None of the Ford dealer parts departments are open today, but as I mentioned in an earlier post, I'm guessing a dealer is my only source, so waiting until tomorrow is what I'll have to do. Does anyone know if maybe Napa, or some other major retailer could or would order it for me, and possibly save me a decent amount of cash?
Thanks again.
Last edited by vltjr; Mar 28, 2010 at 04:04 PM.
Need to know what the tube the hose connect to and is it just a gasket or something more. only leaking about a cup of coolant every two weeks. It runs down the back of the engine. Can't find any exploded views of that area to know what is there.
Thread
Thread Starter
Forum
Replies
Last Post




