wiring turn signals
1986/1987 E350 Econoline cutaway or incomplete chassis V8 460 7.5L auto trans 2wheel drive gas 26 f class c moterhome
hi all I am good slow but good this has got me confused its a E350 econoline v8 460 gas incomplete or cutaway chassis manufactured in mid/late 1986 and sold as a 1987 fleet wood moterhome
repair books I have but no match and no owners manuals came with it
ford is being unhelpful and balking Fleetwood is working to get the correct manual
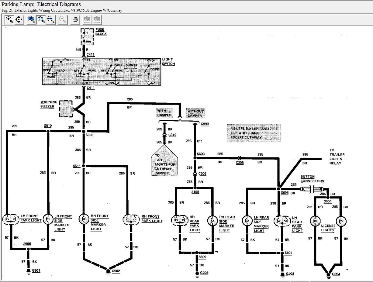
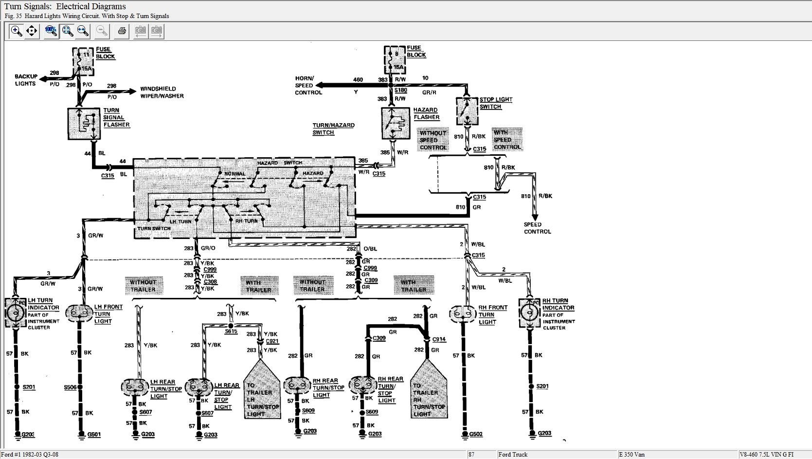
Now the issue is wiring and the harness on the back end for towing and break turn and reverse lights
It was a cluster from previous owner I have straightened it out and
replaced all Glass and Chip fuses and all bulbs just because i don't know how old they were
the break light are working now but the turn signals and running lights are not working but head lamps work fine
I can redo the entire wire harness but I am running out of time to chase this down before cold and snow move in
does anyone have any ideas on manuals or diagrams that can point a bit of light on this
or
should I put in a toggle for turn lights and manually control them and not drive after dusk
Is this one of fords monster mix like the 99 ford ranger XLT limited edition?
E350 Econoline cutaway or incomplete chassis V8 460 dual battery auto trans not a diesel
thank you for any help or insight
hi all I am good slow but good this has got me confused its a E350 econoline v8 460 gas incomplete or cutaway chassis manufactured in mid/late 1986 and sold as a 1987 fleet wood moterhome
repair books I have but no match and no owners manuals came with it
ford is being unhelpful and balking Fleetwood is working to get the correct manual
Now the issue is wiring and the harness on the back end for towing and break turn and reverse lights
It was a cluster from previous owner I have straightened it out and
replaced all Glass and Chip fuses and all bulbs just because i don't know how old they were
the break light are working now but the turn signals and running lights are not working but head lamps work fine
I can redo the entire wire harness but I am running out of time to chase this down before cold and snow move in
does anyone have any ideas on manuals or diagrams that can point a bit of light on this
or
should I put in a toggle for turn lights and manually control them and not drive after dusk
Is this one of fords monster mix like the 99 ford ranger XLT limited edition?
E350 Econoline cutaway or incomplete chassis V8 460 dual battery auto trans not a diesel
thank you for any help or insight
Last edited by roamingrabbitry; Sep 17, 2024 at 09:20 AM.
Thread
Thread Starter
Forum
Replies
Last Post



