Ford Explorer This long running SUV has stood tough against the barrage of new entries into the mid sized SUV market, and with a variety of engine sizes and trim lines, the Exploder offers something for everyone.

2015 Ford Explorer 2wd will not crank

Thread Tools
 
Search this Thread
 
Old Jan 14, 2021 | 06:11 PM
  #1  
Shane Judge's Avatar
Thread Starter
|
Junior Member
Joined: Jan 2021
Posts: 3
Default 2015 Ford Explorer 2wd will not crank

My parents have a 2015 Explorer, the car won’t even crank over. Turn the key on, lights and dash come on but shuts off as soon as you try to start. Looked all over trying to find the starter location and still can’t find it. Any help would be great!
 
Old Jan 14, 2021 | 07:15 PM
  #2  
scott.butler4's Avatar
Senior Member
Joined: Apr 2020
Posts: 1,077
Default

What engine does the vehicle have?
It it a push to start or a keyed ignition?
Do any alerts happens when vehicle is started?
Does any sound happen when vehicle is started?
What is your level of electrical knowledge?
 
Old Jan 14, 2021 | 07:57 PM
  #3  
Shane Judge's Avatar
Thread Starter
|
Junior Member
Joined: Jan 2021
Posts: 3
Default

I believe it’s the 3.5l, fwd with a key. There are no codes. The vehicle will not crank at all. We turn the key to start and everything shuts off. Battery is fully charged and is not draining, tried with a battery booster on, jumping and a new battery. I don’t have a whole lot of electrical knowledge

Originally Posted by scott.butler4
What engine does the vehicle have?
It it a push to start or a keyed ignition?
Do any alerts happens when vehicle is started?
Does any sound happen when vehicle is started?
What is your level of electrical knowledge?
 
Old Jan 14, 2021 | 08:42 PM
  #4  
scott.butler4's Avatar
Senior Member
Joined: Apr 2020
Posts: 1,077
Default

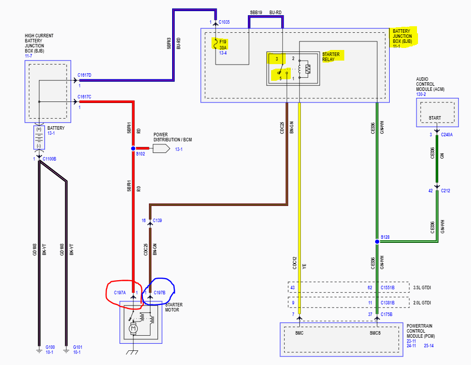
Ok we shall start with the basics. Check for 12V at fuse 19 in the battery junction box(BJB). Check for 12V at pin 3 of the starter relay. Check for 12V at the large wire to the starter wire, circled in red. Jump starter relay pins 3 & 5, starter should engage and turn over the engine, only do this for a few seconds. If the starter does not engage when jumping the relays pins check for 12V at the smaller wire to the starter wire, circled in blue, you will need to use the jumper wire during this.
The starter is located on top the engine, if you remove the airbox and tube to the throttle body you will see the starter.


 
Old Jan 14, 2021 | 08:52 PM
  #5  
Shane Judge's Avatar
Thread Starter
|
Junior Member
Joined: Jan 2021
Posts: 3
Default

Awesome, thank you! We will try that!

Originally Posted by scott.butler4
Ok we shall start with the basics. Check for 12V at fuse 19 in the battery junction box(BJB). Check for 12V at pin 3 of the starter relay. Check for 12V at the large wire to the starter wire, circled in red. Jump starter relay pins 3 & 5, starter should engage and turn over the engine, only do this for a few seconds. If the starter does not engage when jumping the relays pins check for 12V at the smaller wire to the starter wire, circled in blue, you will need to use the jumper wire during this.
The starter is located on top the engine, if you remove the airbox and tube to the throttle body you will see the starter.


 
Old Jan 18, 2021 | 12:43 PM
  #6  
Kenster's Avatar
Junior Member
Joined: Feb 2013
Posts: 12
Default Very similar situation

Hello, I have a 2010 Explorer with the same problem as Shane. With a couple exceptions. When I gather more info I'll post details. Should I start a new thread or continue in this one? It's so similar I think I should stay here.

I'll go through the diagrams previously posted first and see if I come up with anything.

Thanks guys I'll be watching this thread.
Ken
 
Old Jan 18, 2021 | 06:47 PM
  #7  
scott.butler4's Avatar
Senior Member
Joined: Apr 2020
Posts: 1,077
Default

Originally Posted by Kenster
Hello, I have a 2010 Explorer with the same problem as Shane. With a couple exceptions. When I gather more info I'll post details. Should I start a new thread or continue in this one? It's so similar I think I should stay here.

I'll go through the diagrams previously posted first and see if I come up with anything.

Thanks guys I'll be watching this thread.
Ken
Start a new thread, you can do @ followed by my username to tag me and I believe I will get a notification.
Also the 2010 explorer is completely different so these wiring diagrams are useless to you.
 
Related Topics
Thread
Thread Starter
Forum
Replies
Last Post
Greg Mosher
Ford Explorer
1
Sep 14, 2020 01:54 PM
jpsracin34
New Member Area
3
Feb 4, 2016 02:45 PM
dixieoutdoors
Ford Explorer
0
Oct 5, 2015 04:14 PM
trev0006
Ford Explorer
0
Jun 13, 2014 05:17 PM
DURABLEOILCOM
General Tech
0
Jan 22, 2013 06:31 PM




All times are GMT -5. The time now is 12:29 AM.