Ford F-150 The entry level full size truck from Ford, one of America's best selling for decades.

2010 F150 door locks

Thread Tools
 
Search this Thread
 
Old May 8, 2025 | 12:06 PM
  #1  
Cris65's Avatar
Thread Starter
|
Junior Member
Joined: May 2025
Posts: 3
Default 2010 F150 door locks

Hello,

Need help finding the body main harness near breakout G201. This should be for the right rear door lock wiring. I don't have power on the purple wire to the lock actuator. Can anyone help with info for this? or other issues there might be for that door lock? The other three door locks work well.

Thank you!
 
Old May 8, 2025 | 12:47 PM
  #2  
heiko's Avatar
Senior Member
Joined: Feb 2024
Posts: 1,267
From: California
Default






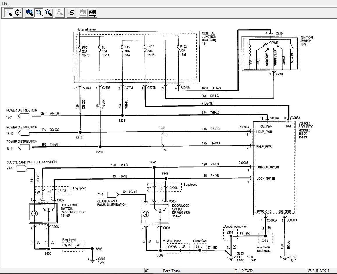
I only have up to 2007 any car. Above for 07 F-150 5.4L.
 
Old May 8, 2025 | 03:45 PM
  #3  
hanky's Avatar
Senior Member
Joined: Jun 2010
Posts: 16,646
Default

Lets see if we can establish what is supposed to happen, OK ?

One thing at a time.
When a solenoid is powered positive to one wire and ground supplied by the other wire, the solenoid will ,for example pull in.
When the power is switched to the other wire, and the wire that was previously ground now is the power wire, the solenoid switches direction and now pushes out.

Knowing that much, the question that comes up ,,,,,which way were you pressing the button and checking for power ? If it was supplying ground at that time,, you would get no voltage reading.
If you get no reading at the solenoid , in both switch positions you have a break in both wires. BUT ,,,,, the security module determines if and when your request is honored. Looks like a security module is on the horizon for you.
 
Old May 8, 2025 | 05:19 PM
  #4  
heiko's Avatar
Senior Member
Joined: Feb 2024
Posts: 1,267
From: California
Default

I forgot, 4 more diagrams below.




Locate Splice 339 and 342 below.


3 locks are good then you don't even need to get to VSM module and waste time, just start from S339 and S342 to C804. No locks would be working (perhaps only left-front on circuit 163) if there was a break between VSM and S339/S342.
 

Last edited by heiko; May 8, 2025 at 07:12 PM.
Old May 8, 2025 | 08:00 PM
  #5  
hanky's Avatar
Senior Member
Joined: Jun 2010
Posts: 16,646
Default

Thank you, heiko, for the diagram, and a good point, if the other solenoids work may not be VSM.

Where is that purple wire Cris was checking in his post ?
 
Old May 8, 2025 | 09:53 PM
  #6  
heiko's Avatar
Senior Member
Joined: Feb 2024
Posts: 1,267
From: California
Default

His truck is 2010 F-150, all of my diagrams are for 2007 F-150 5.4L, could be different wiring colors on both or even completely irrelevant on 2007 vs 2010, and VSM might not even exist on 2010. If the power lock system is controlled by BCM there is even a possibility that right-rear lock has a dedicated wire from the BCM, then S339 and S342 might not even be found on his truck.
 
Old May 10, 2025 | 08:23 PM
  #7  
Cris65's Avatar
Thread Starter
|
Junior Member
Joined: May 2025
Posts: 3
Default

Thank you to all that responded to my issue. Sorry, this was my first post to a forum. My truck is 2010, FX4, 4-wheel drive, automatic with a 5.4L engine.

To Hanky, the purple wire was in the connector to the door lock actuator.
 
Old May 10, 2025 | 08:54 PM
  #8  
heiko's Avatar
Senior Member
Joined: Feb 2024
Posts: 1,267
From: California
Default

Can you check and confirm if 2007 has the same wiring?
 
Old Jun 8, 2025 | 08:48 PM
  #9  
Cris65's Avatar
Thread Starter
|
Junior Member
Joined: May 2025
Posts: 3
Default

Hello!!

Thanks to all that responded to my post. Turns out that some wires were broken and some frayed in the right rear door wire harness. This caused the right rear door lock to not work with the remote or the electric lock switch on the driver's door control panel. Also, that wire issue caused the left rear door lock to be intermittent.
 
Old Jun 8, 2025 | 10:15 PM
  #10  
heiko's Avatar
Senior Member
Joined: Feb 2024
Posts: 1,267
From: California
Default

thanks for the follow up.
 
Related Topics
Thread
Thread Starter
Forum
Replies
Last Post
natbr
Ford Econoline E Series
4
May 29, 2013 12:34 AM
fredastro
New Member Area
12
Dec 14, 2011 07:50 AM
jcjhl69
Ford Focus
0
Mar 22, 2011 08:14 AM
trafficgoo
Ford F-150
0
Nov 16, 2010 06:45 AM
austin
Ford F-150
1
Sep 24, 2006 11:35 PM




All times are GMT -5. The time now is 02:45 PM.