Ford F-150 The entry level full size truck from Ford, one of America's best selling for decades.

2013 svt raptor seat does not go up it just clicks

Thread Tools
 
Search this Thread
 
Old Jun 19, 2021 | 02:04 PM
  #1  
markignite's Avatar
Thread Starter
|
Junior Member
Joined: Jun 2021
Posts: 10
Default 2013 svt raptor seat does not go up it just clicks

hello i have been a german owner of a 2013 svt raptor for 1 year. Right from the start, he had the problem that the height of the driver's seat can sometimes no longer be adjusted. This means that the seat cannot be moved upwards (switch on the right side). You hear a click, but it does not move upwards. Some of it works again. Suddenly I don't know why. Otherwise everything works on the seat, including the passenger seat and the mirrors. I checked the 7.5 A fuse in the passenger footwell. Everything is OK. I removed the switch on the seat and cleaned it with some electronics spray. Without success. I am at a loss. I suspect that the mechanics are somehow wrong, because it clicks when the seat switch in the control unit is operated. But the command is not carried out. The problem is also that the seat is right at the bottom and cannot be raised. Maybe someone can help me. many thanks

reply
 
Old Jun 19, 2021 | 04:14 PM
  #2  
scott.butler4's Avatar
Senior Member
Joined: Apr 2020
Posts: 1,077
Default

So the power seat operates in all ways other then straight up or straight down.
But you do hear something from the seat when you move the switch to lift the seat.
I can provide wiring diagrams but they would be for us model, I do not know if there is any difference.
 
Old Jun 20, 2021 | 01:57 AM
  #3  
markignite's Avatar
Thread Starter
|
Junior Member
Joined: Jun 2021
Posts: 10
Default

hello Scott yes the seat makes a noise when you press the switch, which probably comes from the control unit. It would be nice if you could send me circuit diagrams. best regards Mark
 
Old Jun 20, 2021 | 08:04 AM
  #4  
scott.butler4's Avatar
Senior Member
Joined: Apr 2020
Posts: 1,077
Default

Do you have a 6 or 10 way power seat?
 
Old Jun 20, 2021 | 10:09 AM
  #5  
markignite's Avatar
Thread Starter
|
Junior Member
Joined: Jun 2021
Posts: 10
Default

Originally Posted by scott.butler4
Haben Sie einen elektrisch verstellbaren 6- oder 10-Wege-Sitz?
I have a 10-way adjustable, do you know the part number of the motor for the height adjustment
 
Old Jun 20, 2021 | 10:50 AM
  #6  
scott.butler4's Avatar
Senior Member
Joined: Apr 2020
Posts: 1,077
Default

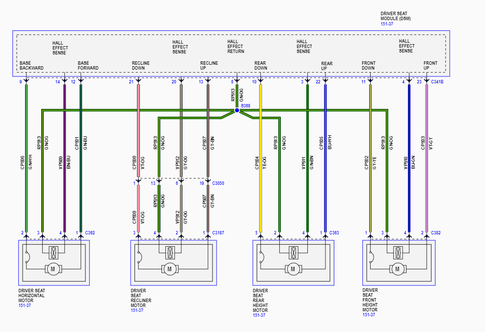
Ok here is the wiring diagrams, as you can see with memory seats the switch sends the signal to the seat module which then sends the request to the seat track motor.
You can see there are two up/down motors, one for the front and one for the rear.
A electrical motor changes directions by switching the power and ground, for example if power to pin 1 and ground to pin 2 makes the motor go forward then power to pin 2 and ground to pin 1 makes the motor go backward.
You will need to locate both motors under the seat and disconnect them, then you can check if each connector gets the correct voltage when the switch is moved in the up/down position.
If you do find the correct voltage at both motors then you will need a new seat track assembly which comes with all new motors, I have never gotten a new motor separate from the seat track assembly.
Because your seat is in the full down position you may need to unbolt the seat from the vehicle and lean it backwards somewhat to access the electrical connectors.




 
Old Jun 20, 2021 | 11:37 AM
  #7  
markignite's Avatar
Thread Starter
|
Junior Member
Joined: Jun 2021
Posts: 10
Default

Hello Scott, this is valuable information, thank you very much. I will test this in the course of the week. If I understand you correctly, do you suspect the error in the seat control unit?
 
Old Jun 20, 2021 | 01:12 PM
  #8  
scott.butler4's Avatar
Senior Member
Joined: Apr 2020
Posts: 1,077
Default

I do not suspect anything until at least the most basic diagnostics is completed.
 
Old Jun 21, 2021 | 05:13 AM
  #9  
markignite's Avatar
Thread Starter
|
Junior Member
Joined: Jun 2021
Posts: 10
Default

How many amps or volts must arrive at the motors for the height adjustment if they are to work correctly?
 
Old Jun 21, 2021 | 06:34 AM
  #10  
scott.butler4's Avatar
Senior Member
Joined: Apr 2020
Posts: 1,077
Default

12 volts DC, not sure on amps.
 



All times are GMT -5. The time now is 05:31 PM.