Ford Taurus The long running mid sized sedan offering sure footed front wheel drive and a roomy interior.

Need help diagnosing a/c problem

Thread Tools
 
Search this Thread
 
Old Jun 30, 2020 | 08:37 PM
  #1  
N525WD's Avatar
Thread Starter
|
Junior Member
Joined: Jun 2020
Posts: 5
Default Need help diagnosing a/c problem

2009 Taurus, a/c compressor does not engage
- fuses are good
- a/c compressor relay is good
- 85 PSI on R134
- blend door seems fine as the vents work as designed
- fan goes on when a/c is selected on the control panel
- fan stays on when a/c is turned off
- fan remains on the next morning when engine is started
- compressor coil engages when hot wire jumped
- only way to turn blower fan off is to disconnect battery for several minutes
- what do you think is the problem?
 
Old Jul 1, 2020 | 08:49 AM
  #2  
scott.butler4's Avatar
Senior Member
Joined: Apr 2020
Posts: 1,077
Default

Do you have electric manual temp control or duel automatic temp control?

Do you have a max A/C button and are able to change driver and pass temps separately?

Is it safe to assume when you say fan you are talking about the blower motor fan and not the radiator fan?

Are you able to change temp from cold(room temp with inop ac compressor) to hot?

Which fault happened first? AC compressor not working or the fan staying on.

Want to make sure I have the current understanding.
 

Last edited by scott.butler4; Jul 1, 2020 at 08:55 AM.
Old Jul 2, 2020 | 07:54 AM
  #3  
N525WD's Avatar
Thread Starter
|
Junior Member
Joined: Jun 2020
Posts: 5
Default

Please forgive if this is a duplicate.

Dual automatic
Max air button present, each side has separate controls
Fan is the cooling fan under the hood
Temperature works (except cold)
As best as recalled, the cooling fan not shutting off and the compressor not engaging were concurrent, same time
 
Old Jul 2, 2020 | 04:47 PM
  #4  
scott.butler4's Avatar
Senior Member
Joined: Apr 2020
Posts: 1,077
Default

Ok we are going to break this down into two complaint.

A - AC compressor will not engage.
Lets start with checking that the fuses are good, in the battery junction box, both fuses are circled in orange, remove the fuse and check for continuity between the blades.
Next remove the AC compressor relay. Do this by swapping it with a known good relay. I circled the four relays that are identical in blue.
Next up disconnect the AC compressor and check the wires for continuity.
For the power side remove the above mentioned relay of pin 5 of the relay and the other on pin 1 of C100.
For the ground side put one lead on the ground terminal and the other on pin 2 of C100.







B - Engine cooling fan staying on.
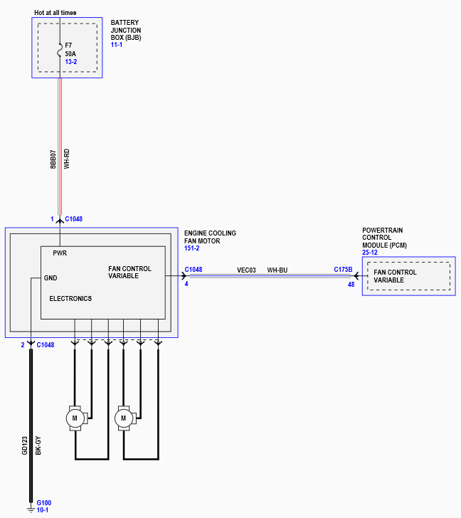
Honestly this is somewhat harder since the fan is controlled by the fan module, which is integrated into the fan, said module only has three wires, there is a power wire, a ground wire, and a PCM control wire that tells the module what the fan should do. The way to best diagnosis this would be using IDS(Ford OBD2 computer program) I am sure there are members here who can tell you how to get the program for free or cheaply.

You said the only way to turn off the radiator fan is to disconnect the battery, you do mean that it still runs after the key is turned to off and removed from the vehicle? Unfortunately this would indicate to me there is a good chance the fan module is bad, you should get IDS and do diag before replacing anything then.

 
Old Jul 2, 2020 | 09:01 PM
  #5  
N525WD's Avatar
Thread Starter
|
Junior Member
Joined: Jun 2020
Posts: 5
Default

The compressor fuse is good, continuity on both sides, last week I swapped the fuel pump relay for the ac relay, fuel still pumping. The cooling fan remains on as long as the engine is running, shut it off, restart and the fan continues to run. Next morning it was 44 degrees and the fan went active as soon as the engine started. Disconnect the battery for 3-4 minutes, re-attach, restart and the fan will be running. Disconnect for 15 minutes and the fan is off when started.

Wires to the compressor have continuity. I can engage the compressor by using a jump wire (on the relay terminals).

This is has me truly puzzled.
 
Old Jul 3, 2020 | 10:06 AM
  #6  
scott.butler4's Avatar
Senior Member
Joined: Apr 2020
Posts: 1,077
Default

Engine fan - You didnt answer the question of what the fan does after the vehicle is shut off and the key removed. Answer this and it will give us somewhere to go.
Thats the only diag you can do for this complaint without IDS.

AC Compressor - If when you jump the relay out it works that tells you that there is a control issue. Check fuses F11 and F46. Humor me and swap the starter relay with the PCM power relay as well, very very unlikely but its quick and easy to check.
 
Old Jul 3, 2020 | 02:05 PM
  #7  
N525WD's Avatar
Thread Starter
|
Junior Member
Joined: Jun 2020
Posts: 5
Default

Scott, apologies for not being specific on th fan: it's the engine cooling fan under the hood, it kicks on when a/c is selected, stays on when a/c is shut off, it does go off when the ignition switch is turned off however, it will go back on when the engine is started WITH the a/c in the off position. It was 52 this morning and the fan came on as soon as I started the engine. One must disconnect the battery for 15 minutes to kill that fan. That tells me it is being controlled by a non-magnetic relay.

Related: those are really swell diagrams, where do you find them?

I'll swap the relay as you suggested, the fuses are good, I checked ever fuse on both boxes to eliminate possibility of a related circuit causing the problem.
 
Old Jul 3, 2020 | 03:08 PM
  #8  
N525WD's Avatar
Thread Starter
|
Junior Member
Joined: Jun 2020
Posts: 5
Default

Resolved: Scott it's usually something simple and this was no exception. After studying your chart, I focused on the High Temp/Hign Pressure transducer. After 244,000 miles of gravel roads the connection on the the HTHP fitting was contaminated with road debris. An Ohm meter showed a false positive reading. Sprayed it down with cleaner and blow out with air, a/c works, fan shuts off. It is believed that the false signal made the computer think it was hot so the fan stayed active. When the battery was disconnected for a along period the computer reset.

Many nu thanks for sending the diagrams.
 
Related Topics
Thread
Thread Starter
Forum
Replies
Last Post
cngizbleevng
Ford Escape
3
Jun 2, 2019 04:44 PM
MossyOak10
Ford Five Hundred
2
May 29, 2015 12:56 AM
kubbie
Ford Thunderbird
5
Jul 30, 2012 09:34 PM
Wile C
Ford Taurus
3
Dec 18, 2007 05:10 PM
jjaquish
Ford Escort
4
Jun 15, 2005 05:21 PM




All times are GMT -5. The time now is 11:45 PM.