1991 Club Wagon No Start/No Crank
Hi everyone,
I am interested in buying a 1991 Club Wagon with 77k miles. It will not start or crank, but the cluster lights do turn on and I do hear a click under the hood on the passenger side of the van. We also hear buzzing and the check engine and seatbelt lights turn on.
Additionally, i can hear buzzing when the ignition switch is turned without the key. Is this common or could the ignition cyclinder be going out.
I am not sure where to begin with this so any insight would be helpful.
Thanks,
R
I am interested in buying a 1991 Club Wagon with 77k miles. It will not start or crank, but the cluster lights do turn on and I do hear a click under the hood on the passenger side of the van. We also hear buzzing and the check engine and seatbelt lights turn on.
Additionally, i can hear buzzing when the ignition switch is turned without the key. Is this common or could the ignition cyclinder be going out.
I am not sure where to begin with this so any insight would be helpful.
Thanks,
R
What might help isolate the problem, turn the headlamps on and watch what they do when you attempt to start the vehicle.
They could do nothing, go dim or go out completely. The result you get will help save extra work. Can you do this?
They could do nothing, go dim or go out completely. The result you get will help save extra work. Can you do this?
Hello there from Canada, Victoria BC, eh!
Currently I am fixing an awesome 1991 F250 Econoline 5.0, but I have the problem, that it wont start.
I am sure that lot of guys and girls here are thinking, why are you not googling your problem? I did that already, but I am old school and believe there are some awesome people out there to help this old fella, right , eh?
No Start/No Crank, but if I am bridging the solenoid it runs smooth
Here is what I have done already!
Tested Battery--- ok!
Solenoid-- replaced with NEW one!
Starter Motor--- dismantled and cleaned, all brushes are in decent shape
connections, all checked, cleaned and made them work proper (actually not sure how to put that into words, but they look like new!)
I am assuming that there is a ground connection I have not found yet, chassis to transmission maybe?
if you could point me in the right direction that is really appreciated!
If you have images or sketches I would prefer that, because a picture says more than a 1000 words!
Appreciate your help!
Thank you
Currently I am fixing an awesome 1991 F250 Econoline 5.0, but I have the problem, that it wont start.
I am sure that lot of guys and girls here are thinking, why are you not googling your problem? I did that already, but I am old school and believe there are some awesome people out there to help this old fella, right , eh?
No Start/No Crank, but if I am bridging the solenoid it runs smooth
Here is what I have done already!
Tested Battery--- ok!
Solenoid-- replaced with NEW one!
Starter Motor--- dismantled and cleaned, all brushes are in decent shape
connections, all checked, cleaned and made them work proper (actually not sure how to put that into words, but they look like new!)
I am assuming that there is a ground connection I have not found yet, chassis to transmission maybe?
if you could point me in the right direction that is really appreciated!
If you have images or sketches I would prefer that, because a picture says more than a 1000 words!
Appreciate your help!
Thank you
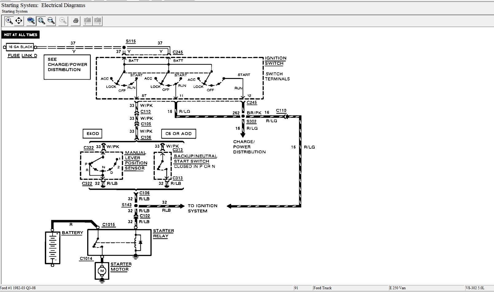
You still have either manual lever position sensor or backup/neutral start switch depends on the type of your tranny per top diagram above, sitting in between.
Find a helper to turn the key to START, at the same time you check for voltage at circuit 33 (C110, C105 and C106), then do the same on circuit 32. You might be able to do this alone if you remove the doghouse and if the position sensor or neutral switch is nearby.
Heiko,
first of all thanks a lot for the awesome images and the explanations on it! I was not expecting such an awesome answer!
I have to wait till the weekend, lots on the go in the meantime.
Just a question from a novice
I have to use the van on Friday and Saturday. is it ok to use a redneck key (screwdriver) to bridge the solenoid to start the van?
If I do it this way, the engine starts right away and is running absolute smooth
Cheers
Chris
first of all thanks a lot for the awesome images and the explanations on it! I was not expecting such an awesome answer!
I have to wait till the weekend, lots on the go in the meantime.
Just a question from a novice
I have to use the van on Friday and Saturday. is it ok to use a redneck key (screwdriver) to bridge the solenoid to start the van?
If I do it this way, the engine starts right away and is running absolute smooth
Cheers
Chris
If you are bridging C1014 to C1015 directly I wouldn't recommended that. You said you replaced a new solenoid so why not just locate the trigger wire C102 and jump that to the positive post of your battery, 18awg should be good.
In the meantime you should try to start it in neutral position and see if it works. You might need to grab a can of "dry lube", it's a MUST have for every car owner, you use it to lubricate any keyhole, even your house door. You spray it into the springloaded slot of your ignition switch, and move the slot by hand a few times. To do all that of course you have to remove the ignition switch. When it's already removed, you can also do a bench test, you just need an ohm meter.
Of course first thing test the circuit 32 and 33 first so you don't waste time removing parts.
In the meantime you should try to start it in neutral position and see if it works. You might need to grab a can of "dry lube", it's a MUST have for every car owner, you use it to lubricate any keyhole, even your house door. You spray it into the springloaded slot of your ignition switch, and move the slot by hand a few times. To do all that of course you have to remove the ignition switch. When it's already removed, you can also do a bench test, you just need an ohm meter.
Of course first thing test the circuit 32 and 33 first so you don't waste time removing parts.
Last edited by heiko; Aug 21, 2024 at 11:36 PM.
Sorry for the late reply
I didn't have time on the weekend, I will try it this week and see what happens. I am pretty much confident with the help of the forum we will find the issue!
Till then
Happy typing
I didn't have time on the weekend, I will try it this week and see what happens. I am pretty much confident with the help of the forum we will find the issue!
Till then
Happy typing
Oh totally forgot.
I also have a problem with the sliding door. I am looking for the part
but I am not sure where to look. I tried eBay and Ford dealers, but I can't find it anywhere.
I have 2 questions:
Do you maybe know a shoppe where I could order the entire thing or only the roller part?
is there a redneck solution already discussed in this forum?
Sorry for the confusing question, but I am a newbie
Cheers from Canada
I also have a problem with the sliding door. I am looking for the part
Upper Hinge - Ford (E4UZ-1226800-A)
OEM Upper Hinge For 1984-1991 Fordbut I am not sure where to look. I tried eBay and Ford dealers, but I can't find it anywhere.
I have 2 questions:
Do you maybe know a shoppe where I could order the entire thing or only the roller part?
is there a redneck solution already discussed in this forum?
Sorry for the confusing question, but I am a newbie
Cheers from Canada
yes, they stay the same, no flickering nothing
If you are bridging C1014 to C1015 directly I wouldn't recommended that. You said you replaced a new solenoid so why not just locate the trigger wire C102 and jump that to the positive post of your battery, 18awg should be good.
In the meantime you should try to start it in neutral position and see if it works. You might need to grab a can of "dry lube", it's a MUST have for every car owner, you use it to lubricate any keyhole, even your house door. You spray it into the springloaded slot of your ignition switch, and move the slot by hand a few times. To do all that of course you have to remove the ignition switch. When it's already removed, you can also do a bench test, you just need an ohm meter.
Of course first thing test the circuit 32 and 33 first so you don't waste time removing parts.
In the meantime you should try to start it in neutral position and see if it works. You might need to grab a can of "dry lube", it's a MUST have for every car owner, you use it to lubricate any keyhole, even your house door. You spray it into the springloaded slot of your ignition switch, and move the slot by hand a few times. To do all that of course you have to remove the ignition switch. When it's already removed, you can also do a bench test, you just need an ohm meter.
Of course first thing test the circuit 32 and 33 first so you don't waste time removing parts.
Cheers


