Ford Econoline E Series The full size van is alive and well at FMC, with the heart of the F series trucks in both cargo vans and passenger vans.

Deleted Rear AC

Thread Tools
 
Search this Thread
 
Old Feb 13, 2021 | 04:47 PM
  #1  
ford350xlt's Avatar
Thread Starter
|
Junior Member
Joined: Feb 2021
Posts: 3
Unhappy Deleted Rear AC

Ok, I deleted rear ac for camper conversion. AC worked flawlessly before...

-I had a shop evacuate system
-I capped the ac lines behind drivers wheel with quality caps purchased online
-looped the heater coolant lines
-removed old ac
-cut and capped all wires
-Rechardged AC to 40

NO COLD AIR
-heat works perfectly
-blower very strong
-switches from floor air to face with no issues
-the compressor is spinning
-Checked the relevant fuses i could find, no blown fuses... (would love any fuse suggestions to double check)
-so whats the deal?!!?!?


Any one have a decent line of thought for me to research? Any good guesses? Any one know the exact issue?

I have not driven the van very far, just idled it. Does it need to be driven for the refrigerant to circulate...?

DOH!
 
Old Feb 14, 2021 | 07:39 AM
  #2  
scott.butler4's Avatar
Senior Member
Joined: Apr 2020
Posts: 1,077
Default

You need to specify year and engine for better details.
Where did you get the amount to charge the AC to? If you removed the rear AC then the system would need a different(99% sure smaller) charge.
It wouldn't be a bad idea to hook up some AC guages to watch the pressure.
The compressor always spins, there is a clutch the engages the compressor when more pressure is needed.
You might want to check with a company that does rear conversions like what you did since they may deal with this a bit more often.
 
Old Feb 14, 2021 | 12:36 PM
  #3  
Rusty Baker's Avatar
Senior Member
Joined: Jan 2008
Posts: 506
Default

Too much Freon can ruin the compressor
 
Old Feb 14, 2021 | 01:14 PM
  #4  
ford350xlt's Avatar
Thread Starter
|
Junior Member
Joined: Feb 2021
Posts: 3
Default

Originally Posted by scott.butler4
You need to specify year and engine for better details.
Where did you get the amount to charge the AC to? If you removed the rear AC then the system would need a different(99% sure smaller) charge.
It wouldn't be a bad idea to hook up some AC guages to watch the pressure.
The compressor always spins, there is a clutch the engages the compressor when more pressure is needed.
You might want to check with a company that does rear conversions like what you did since they may deal with this a bit more often.
2005 ford e-350 xlt super duty v10 6.8L
Front pannel instructions state 40psi for single system 60psi for dual
gauge that came with kit states 40

The clutch appears to not be spinning... All fuses and relays check out and it move if I touch it with my fingers...

Agreed, I need to find that resource.
 
Old Feb 14, 2021 | 01:15 PM
  #5  
ford350xlt's Avatar
Thread Starter
|
Junior Member
Joined: Feb 2021
Posts: 3
Default

Charged to 40 and the system use to run on 60, i don't believe this is the situation.
 
Old Feb 14, 2021 | 09:14 PM
  #6  
scott.butler4's Avatar
Senior Member
Joined: Apr 2020
Posts: 1,077
Default

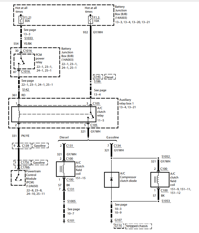
Heres the wiring diagrams I believe you will need.
The PCM looks for a signal to get through both AC pressure switches to indicate when the AC clutch should be turned on and off.
The PCM provides a ground to the AC clutch relay thus activating the AC compressor clutch.
You could jump out the relay clutch pins 3 & 5 to see if the clutch engages or not, only do that for a few seconds with the engine running though.
It wouldnt be a bad idea to disconnect and reconnect both pressure switches to make sure they are secured.



 
Related Topics
Thread
Thread Starter
Forum
Replies
Last Post
JamieA
Ford F-150
4
Jul 19, 2012 06:54 AM
Schuppepartyof10
Ford Econoline E Series
0
Jul 1, 2012 06:42 PM
Orbinman
Ford F-150
1
Jun 8, 2011 03:35 PM
nygiantsfan012
Windstar/Aerostar
14
Jul 11, 2010 04:07 PM
bell1234
General Tech
0
Jul 1, 2005 08:19 AM




All times are GMT -5. The time now is 08:54 PM.