1988 F150 Lariat rear tank draining into side tank
Originally - I thought someone stole the gas out of my rear tank..... Not the case.
Later - I found that rear tank stayed full as long as the switch was set to the side tank. - If I changed the switch to the rear tank, but switched back to the side tank before shutting the engine down, the fuel stayed put in the rear tank and DID NOT drain to the side tank.
Today, Months Later - It doesn't matter what tank I have switched to... Fuel in the rear tank eventually drains into the side tank.
**********************
In guessing, I would surmise the Tank Selector Valve Assembly Has become internally flawed (bolted to the drives side chassis), but don't want to replace it based merely on a wild guess?
Later - I found that rear tank stayed full as long as the switch was set to the side tank. - If I changed the switch to the rear tank, but switched back to the side tank before shutting the engine down, the fuel stayed put in the rear tank and DID NOT drain to the side tank.
Today, Months Later - It doesn't matter what tank I have switched to... Fuel in the rear tank eventually drains into the side tank.
**********************
In guessing, I would surmise the Tank Selector Valve Assembly Has become internally flawed (bolted to the drives side chassis), but don't want to replace it based merely on a wild guess?
How are things with my friend in Fla ?
Good to hear from you .
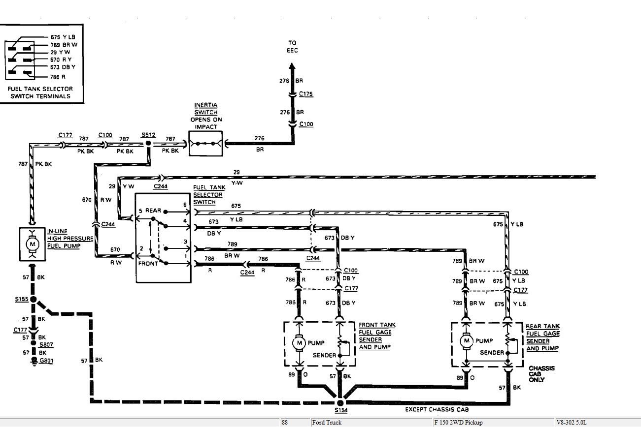
The tank may not be draining., but what could be happening is; as you are running on the rear tank , the return is sending excess to the side tank..
Shuttle valve problem in side tank and I know you don't want to hear this, but the fuel tank module (pump and sending unit) in that side tank is in need of replacement.
Hope we are still friends after that one !
Good to hear from you .
The tank may not be draining., but what could be happening is; as you are running on the rear tank , the return is sending excess to the side tank..
Shuttle valve problem in side tank and I know you don't want to hear this, but the fuel tank module (pump and sending unit) in that side tank is in need of replacement.
Hope we are still friends after that one !
All is well in the Tampa Bay area of Florida Hanky, and yes we're still friends. I understand your reply of "could be" pertaining to the internal aspects of the side tank drawing fuel from the rear tank, but before I go thru that again (replacing the tank many years ago and everything within it), let me explain, perhaps in better detail..
*Initially - If the engine was running on the rear tank (the forward tank being somewhat low) and when finished with it, parking in on my driveway... the switch remaining in the "Rear Tank" position, the engine obviously OFF..... the fuel in the rear tank would drain into the side tank overnight. BUT if I had changed the switch back to actuate the side tank for a few miles... that action acted as a shut off valve to the rear tank... The fuel in the rear tank stayed put. * * * * * I ran it this way for some time as I had control over the problem (sorta).
*Now - The function of the in tank pumps (both) is normal. The truck runs fine on either switch position, BUT regardless of where the tank selector switch is set... side or rear tank... parked on my driveway, the engine NOT Running, the fuel in the rear tank drains into the side tank overnight.
A side note; with both tanks full (so far), there has been no leakage..... Also, hurricane Helene and Milton rolled right over top of us here, low streets flooded, impassable for quite some time, many trees down, power out, much destruction . This general area... some fence damage, roof damage..... My immediate area, my home, property, and for blocks around... nothing but our yards being full of leaves and tree debris, limbs perhaps 3 or 4 inches in diameter. I really do think God likes me!
*Initially - If the engine was running on the rear tank (the forward tank being somewhat low) and when finished with it, parking in on my driveway... the switch remaining in the "Rear Tank" position, the engine obviously OFF..... the fuel in the rear tank would drain into the side tank overnight. BUT if I had changed the switch back to actuate the side tank for a few miles... that action acted as a shut off valve to the rear tank... The fuel in the rear tank stayed put. * * * * * I ran it this way for some time as I had control over the problem (sorta).
*Now - The function of the in tank pumps (both) is normal. The truck runs fine on either switch position, BUT regardless of where the tank selector switch is set... side or rear tank... parked on my driveway, the engine NOT Running, the fuel in the rear tank drains into the side tank overnight.
A side note; with both tanks full (so far), there has been no leakage..... Also, hurricane Helene and Milton rolled right over top of us here, low streets flooded, impassable for quite some time, many trees down, power out, much destruction . This general area... some fence damage, roof damage..... My immediate area, my home, property, and for blocks around... nothing but our yards being full of leaves and tree debris, limbs perhaps 3 or 4 inches in diameter. I really do think God likes me!
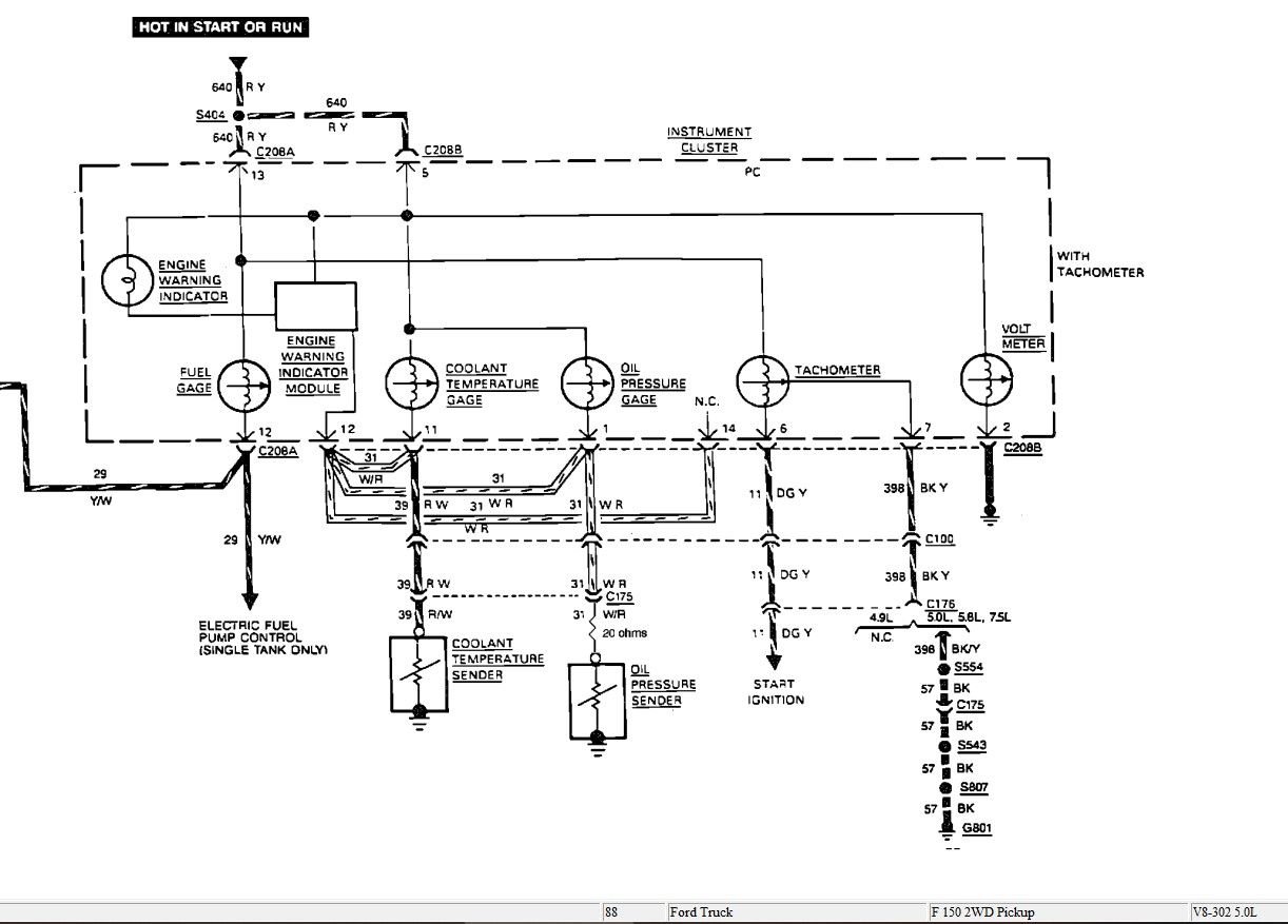
There are anti-siphon valves in the dual function reservoir.From the drawings, it appears the anti-siphon valves are not seating.
Don't know if those dual function reservoirs, DFR, are any longer available, if not, You might try . Vintage Parts Inc located in Beaver Dam, Wisc.
The instructions for replacing are just what we need. Not sure if you want to tackle this job or not.
Phone # 1-877-846-8243 Let us know how you make out, OK ?
Thank you heiko for the info..
Don't know if those dual function reservoirs, DFR, are any longer available, if not, You might try . Vintage Parts Inc located in Beaver Dam, Wisc.
The instructions for replacing are just what we need. Not sure if you want to tackle this job or not.
Phone # 1-877-846-8243 Let us know how you make out, OK ?
Thank you heiko for the info..
Last edited by hanky; Feb 10, 2025 at 04:50 PM.
I tried to get on earlier today and it was stated that I was banned by the site owner... something to do with something automatic and my IP?? Glad to see that apparently that was temporarily. The reservoirs are very available "new" on ebay... I see the drain valves on the diagrams above. I had replaced that one when I had the tanks out years ago. I'll get back to you after the installation Hanky... it'll be awhile. Very nice weather lately. 72 degrees in the shade, 5:30pm 02/18/25.
The reservoir a few years back (new) about $150... Now $54.24 brand new with free shipping
The reservoir a few years back (new) about $150... Now $54.24 brand new with free shipping
Last edited by Joe Reeves; Feb 18, 2025 at 05:54 PM.
Thread
Thread Starter
Forum
Replies
Last Post



