Ford Fusion The next installation in the Ford sedan lineup not only joins as the new mid sized sedan, but also as the Ford entry for NASCAR.

Radio only works in accessory mode

Thread Tools
 
Search this Thread
 
Old Dec 31, 2025 | 01:30 PM
  #1  
nepp's Avatar
Thread Starter
|
Junior Member
Joined: Aug 2011
Posts: 18
Default Radio only works in accessory mode

Hello everyone,
I have a 2011 fusion that the radio only works in accessory mode. As soon as I start the engine, the radio will turn off in about one second after starting, and when I turn the engine off, the radio comes back on. I checked all fuses that are related to the radio under the steering column, and everything looks good. Research has pointed towards a possible bad ignition switch? Something to do with switching from accessory mode to run mode. Any suggestions helpful.

Thank you for your time.
 
Old Dec 31, 2025 | 08:10 PM
  #2  
hanky's Avatar
Senior Member
Joined: Jun 2010
Posts: 16,577
Default

If nothing else is affected in the run mode, it can't be the ign sw.

What you might check is,the wire(s) bringing power to the radio and they usually come from the interior fuse panel.Something is not right there..

Was anything changed and then the problem appeared?
 
Old Jan 1, 2026 | 09:17 AM
  #3  
nepp's Avatar
Thread Starter
|
Junior Member
Joined: Aug 2011
Posts: 18
Default

Nothing within the past 3 years has been changed to the vehicle. My wife did mention within the past few months that the radio would go off and then back on.
 
Old Jan 1, 2026 | 02:09 PM
  #4  
hanky's Avatar
Senior Member
Joined: Jun 2010
Posts: 16,577
Default

A questionable connection supplying power to the radio would need to be verified by checking the voltage available to the radio and observing if it fluctuates when the problem shows up..
Not difficult, but would require a voltmeter and tapping into the wire AT THE RADIO.

If any change is observed, we know it is between the fuse panel and the radio.
If no change is observed, the the problem is within the radio itself..
 
Old Jan 2, 2026 | 12:34 PM
  #5  
heiko's Avatar
Senior Member
Joined: Feb 2024
Posts: 1,225
From: California
Default

BCM (body control module) is involved in operation of your radio so you need to find out whether it's the BCM or the wiring between your BCM and your radio.
1) You need a Ford specific scanner like (Foxwell NT510 Elite w/ Ford) to retrieve the DTCs associated with BCM.
2) If it's just the wring after the BCM, you need to remove the radio and test the connector in the back when it's in ACC or START for 12V. Of course you need a diagram for that, and you also need a multimeter.


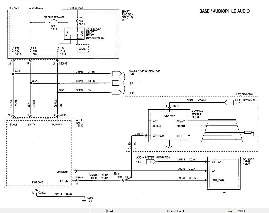
I don't have diagram for your 2011, just 2007 shown above, you can clearly see a dedicated F22 fuse (Hot in Start) to terminal 15 of your radio. Just an example only, 2011 is controlled via BCM you just need to have a capable scanner to find out the DTCs and see what is going on, and reset or fix if needed.
Additionally, you said you tested the fuses, how? Just visually or with a multimeter? How do you know for sure your F22 fuse (for example) is good? A simple continuity test by probing the 2 tiny terminals on top of the fuse (without pulling) can do it, if you know how to check resistance you can get more accurate result than continuity check and expect 2 ohm or less. Don't pull any fuse if at all possible, if you must pull certain fuse, you should disconnect the battery ground cable first.
 

Last edited by heiko; Jan 2, 2026 at 12:40 PM.
Related Topics
Thread
Thread Starter
Forum
Replies
Last Post
WingedTweek19
Ford F-250 & Ford F-350
4
Feb 14, 2025 10:20 AM
cobusleonard
Ford Econoline E Series
7
Aug 28, 2024 06:11 PM
SkyDog
Ford F-250 & Ford F-350
0
Feb 3, 2018 08:37 PM
hdandford
Audio / Visual Electronics
0
Sep 29, 2008 12:47 PM
hdandford
Sights 'N Sounds
0
Sep 26, 2008 11:02 AM




All times are GMT -5. The time now is 04:44 PM.