Ford Escape Horn Troubleshooting Issue
2007 Ford Escape XLT- V6 Auto Transmission, 4WD
Hoping to get some assistance in troubleshooting issue with horn for 2007 Ford Escape. Just purchased vehicle used, was a fire rescue support vehicle. Was told all wiring for supplemental lights had been abandoned/disconnected. Started removing wiring from the back of he vehicle moving forward. Wires were concealed under the doorway thresholds on the drivers side of the vehicle. Got to the front end of the drivers side door and was going to stop there, leave the wiring intact. Was snipping wires at that location and heard the horn beep, then it went dead. There are about 15 wires/wire bundles in that area, trying to find the wire/wires for the horn, Apparently they were looped from engine compartment through that area and to the horn. How to go about solving this problem? 1) how many wires involved, what color might the wires be? Part of a wiring bundle or individual wires? Likely two wires involved if there is a switch closure (to/from switch to the relay)? Can I check wires in that area for voltage as I'd expect it to be continually "live". Can I test dc voltage to ground?
Please note I checked all of the other devices on the steering console, nothing else seems to be affected (wipers, cruise control, turn signals, lights).
Thanks ahead for advice.
Hoping to get some assistance in troubleshooting issue with horn for 2007 Ford Escape. Just purchased vehicle used, was a fire rescue support vehicle. Was told all wiring for supplemental lights had been abandoned/disconnected. Started removing wiring from the back of he vehicle moving forward. Wires were concealed under the doorway thresholds on the drivers side of the vehicle. Got to the front end of the drivers side door and was going to stop there, leave the wiring intact. Was snipping wires at that location and heard the horn beep, then it went dead. There are about 15 wires/wire bundles in that area, trying to find the wire/wires for the horn, Apparently they were looped from engine compartment through that area and to the horn. How to go about solving this problem? 1) how many wires involved, what color might the wires be? Part of a wiring bundle or individual wires? Likely two wires involved if there is a switch closure (to/from switch to the relay)? Can I check wires in that area for voltage as I'd expect it to be continually "live". Can I test dc voltage to ground?
Please note I checked all of the other devices on the steering console, nothing else seems to be affected (wipers, cruise control, turn signals, lights).
Thanks ahead for advice.
Last edited by BraymanT; Sep 5, 2024 at 07:44 PM. Reason: Added car details as recommended
Some emergency vehicles had a siren control that was automatic and others had the siren activated by the driver using the horn button on the steering wheel..
This might help explain why the horn system is somewhat altered.
This might help explain why the horn system is somewhat altered.
G207 Above.
151-12 Above
C218A Below
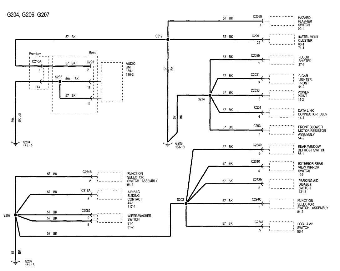
It might be easier to go backward and start from G207 toward the horn switch. Basically you locate circuit 57 (BK) and circuit 6 (YE/LG) all from C218A (Airbag Sliding Contact), the lowest pic above. Pin 5 should have ground signal at all time, pin 4 only when the horn button is pushed, if you don't, you know you have to remove the horn button when it's disconnected.
Last edited by heiko; Sep 5, 2024 at 10:48 PM.
Problem solved! In fact there was a pair of wires coming from the steering column which were spliced into the factory wiring. This pair came down to the area where I was removing wires. They were just spliced together, and I obviously cut the splice. Why they needed to be in that area of the vehicle remains a mystery. But I could not have traced them out without the wiring diagrams that Heiko sent. I'm very grateful, you saved me alot of head-ache and probably alot of money.
Thread
Thread Starter
Forum
Replies
Last Post




