Ford Escape The newest smaller SUV from Ford allows the buyer to have the use of an SUV without the hunger for fuel that so many SUVs display.

Traction Control and ABS lamps on again--the problem continues

Thread Tools
 
Search this Thread
 
Old Apr 1, 2020 | 01:16 PM
  #1  
cngizbleevng's Avatar
Thread Starter
|
Member
Joined: Feb 2006
Posts: 48
From: Boiling Springs, PA
Angry Traction Control and ABS lamps on again--the problem continues

In my previous posts, I've said how I've replaced the Tone Ring, Wheel Speed Sensor (2 times), and just in the last week I replaced the Wheel Hub. I've also checked the sensor's wiring and it appears intact and plugged in well. The wiring enters a larger bundle in the engine bay and I lose track of it there.

None of this has resulted in any long-term fix for the indicator lamps coming back on. Previous code was C1233 -- Speed Wheel LF Input Signal Missing. No codes are coming up this time other than an emissions code that's a separate issue.

Here's an important point though... When I use the Torque app to clear the codes, the dash lights go off as the app is clearing them, but they come right back on a second or two later. The car isn't moving at all. This implies to me that it isn't a problem with the tone ring or wheel hub, but more likely an electrical, sensor, or computer issue.

Any thoughts?
 

Last edited by cngizbleevng; Apr 1, 2020 at 01:18 PM. Reason: clarification
Old Apr 1, 2020 | 09:38 PM
  #2  
Hayapower's Avatar
Super Moderator
Joined: Jul 2006
Posts: 7,555
Default

Have you looked in the data for the ABS for indicated wheel speed matches?
 
Old Apr 2, 2020 | 08:44 AM
  #3  
hanky's Avatar
Senior Member
Joined: Jun 2010
Posts: 16,616
Default

Maybe we can offer another suggestion,
Most wheel speed sensors get what is referred to as a "Bias voltage". This voltage usually is measured off the signal wire at the sensor with the key on and reads around 5 volts , plus or minus. If for some reason this bias voltage is absent , the system will throw a code . It might be a good starting point to check if this voltage is present there.
 
Old Apr 4, 2020 | 11:46 AM
  #4  
cngizbleevng's Avatar
Thread Starter
|
Member
Joined: Feb 2006
Posts: 48
From: Boiling Springs, PA
Default

Originally Posted by Hayapower
Have you looked in the data for the ABS for indicated wheel speed matches?
Originally Posted by hanky
Maybe we can offer another suggestion,
Most wheel speed sensors get what is referred to as a "Bias voltage". This voltage usually is measured off the signal wire at the sensor with the key on and reads around 5 volts , plus or minus. If for some reason this bias voltage is absent , the system will throw a code . It might be a good starting point to check if this voltage is present there.

Hayapower--I'm not sure how to do that. Is it a feature in Torque?

Hanky, so I'm guessing a multimeter, but which points do I touch the probes to to test for that?
 
Old Apr 4, 2020 | 01:28 PM
  #5  
Hayapower's Avatar
Super Moderator
Joined: Jul 2006
Posts: 7,555
Default

Ive never used Torque, but my guess its a basic reader with some panel features etc.

Generally if there's a mismatch or an intermittent signal dropout in wheel speed reading/s, it can be picked up visually watching the the live streaming PID data under driving conditions. At least, a good place to start to witness an active and balanced signal/s are being reported. Next, or First as hanky mentioned would be to test for voltage greater than 10V present across the harness side of the VSS connector with the Key On. Anytime the vehicle exceeds 9 MPH and the speed signal isn't detected, a module generated DTC will set. Also, mismatched tire sizes can be cause for these DTC's

You'd need a scan tool capable of reading individual module data PID's.
If you have a Windows laptop, a no cost download of FORScan and a 'switchable' (HS/MS CAN) ELM327 adapter makes for a very capable tool that has many functions, DTC's, PIDS, streaming, module data. programming, feature altering etc. For about 30.00 for the adapter, you'd have a capable tool with many features and proactive test functions..

I can send you some circuit DTC test procedure if you need, but in that, the first test step is to verify a matched and balanced set of readings. But if you want to verify power distribution across the connector first, it may lend to some direction before upping the game on your test capability..
 

Last edited by Hayapower; Apr 4, 2020 at 02:01 PM.
Old Apr 4, 2020 | 02:54 PM
  #6  
cngizbleevng's Avatar
Thread Starter
|
Member
Joined: Feb 2006
Posts: 48
From: Boiling Springs, PA
Default

I'm certainly interested in FORScan. I use a similar set up for our BMW. I guess I'll need a different adapter for the Ford though.
 
Old May 20, 2020 | 11:12 AM
  #7  
scott.butler4's Avatar
Senior Member
Joined: Apr 2020
Posts: 1,077
Default

Ok, are all tires the same size?
Assuming they are you will need to use a scan tool that shows live data, bring up all four wheel speed sensor PIDs and watch them while driving, they should all stay within 1MPH of each other.
Also you can do a on demand ABS self test.
Check that the sensor bolt is tight for the wheel that is different.(code specifies LF)
Did you install the tone ring correctly? There is a special tool to install them, and if not done correctly will screw with the ABS system.
The wheel speed sensor uses a 2 wire sensor, disconnect the sensor and the ABS module, check the resistance of the wires for any damage to the harness.




 
Old May 20, 2020 | 01:58 PM
  #8  
cngizbleevng's Avatar
Thread Starter
|
Member
Joined: Feb 2006
Posts: 48
From: Boiling Springs, PA
Default

Wow, I wish I understood all this electrical stuff!

The wheels are all the same size, and the tone ring was installed by the Ford Dealer, but it didn't solve the problem.

 
Old May 20, 2020 | 03:31 PM
  #9  
scott.butler4's Avatar
Senior Member
Joined: Apr 2020
Posts: 1,077
Default

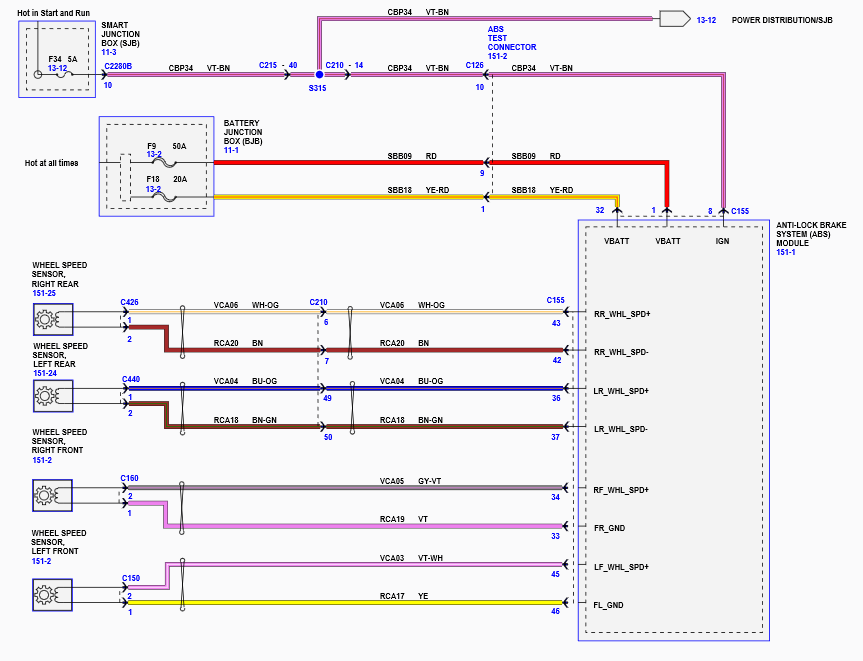
OK so for the diagram, based on your code we are directed to the left front wheel speed sensor, due to the description of the code the signal is missing, this means the module does not see anything which to me would mean an open in the harness or a damaged sensor or a damaged module, hopefully not the module.

Here is the diagram of the harness between that sensor and the module. I drew one wire with blue going from Pin 2 at the sensor to Pin 45 on the module. I drew one wire with red going from Pin 1 at the sensor to Pin 46 on the module. I have circled these pins with the corresponding colors on the connector faces.
What you need to do is disconnect the ABS connector and the left front wheel speed sensor connector. Using a multimeter set to ohms/resistance you will then CAREFULLY as to not spread the terminals insert a probe into the two red wire ends from Pin 1 to Pin 46, write down the reading. You will then do the same for the blue wire ends from Pin 2 to Pin 45, write down the reading.
If there is no damage to the wiring harness the reading for the wires should be less then 0.5 ohms, Ford states that any reading above 5 ohms means there is a issue with that wire, generally I do not see readings above 1 ohm if the wire is intact with no damage.
Its been a bit since I have dealt with one of these ABS modules but I remember the connector was strange to release, dont remember how to though.
If both wires measure from end to end less then 5 ohms, hopefully even less then 0.5 ohms then you know the wiring harness is ok and should check for corrosion or damage to the pins.
Report back when you are done with testing.
I assume people will complain about the 5 ohm rule, the reason that Ford allows up to 5 ohms is because some wires can be over 20 feet long with multiple connectors between ends, each connector adds a little bit of resistance and so they could add up.



Left front wheel speed sensor connector.



ABS module connector.
 
Old May 20, 2020 | 04:33 PM
  #10  
cngizbleevng's Avatar
Thread Starter
|
Member
Joined: Feb 2006
Posts: 48
From: Boiling Springs, PA
Default

I've replaced the sensor twice already and it hasn't solved the problem.

I know where the sensor's wiring connects inside the engine bay, but I haven't been able to figure where the wiring continues on from there. Where is this ABS module connector? Is it in the fuse box?
 



All times are GMT -5. The time now is 09:03 AM.