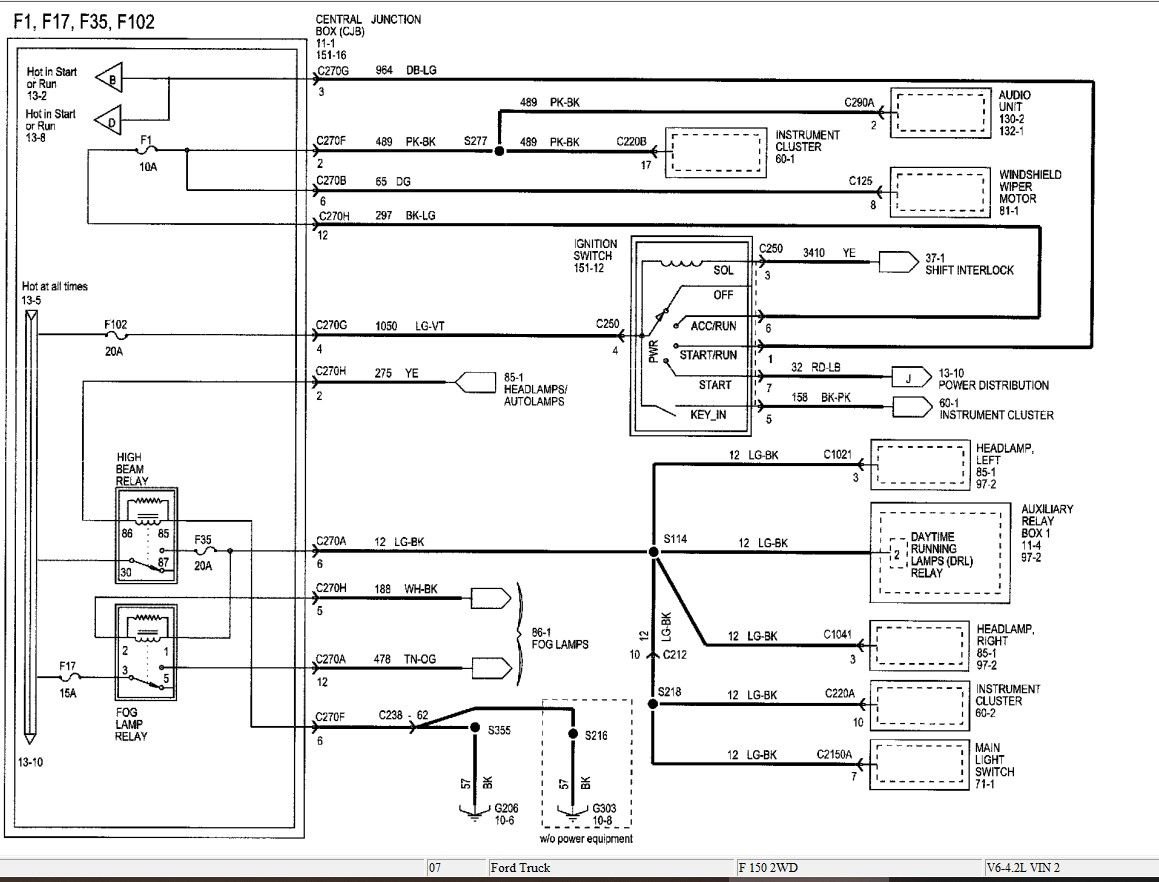
wire diagram for ign sw
i am doing a ign bypass on my 07 f150 xlt v6 using 2 switches and a push button sw. i need wiring blueprint of what wire to put where. my colors are blk/red blk/green green/blk blue/green yellow red/ blue with blue/green and green/blk being slightly bigger wire
any ideas?
any ideas?
Until someone comes up with a diagram,
With 2 sw does this mean you want one sw to supply power to what is supposed to get power when key was turned on AND the other sw to activate the starter ?
If so, do you have either a volt meter, or test light ?
With 2 sw does this mean you want one sw to supply power to what is supposed to get power when key was turned on AND the other sw to activate the starter ?
If so, do you have either a volt meter, or test light ?
Correct and yes i have both. i wired it up other nite and it worked perfect. Started it like 4-5 times no glitches.taped and zip tied wires up cleaned tools up put away. and i must of done something not knowing what or how but next morning it was back to security lite slow blink like no key in it. i left pats in tact just use key for handshake and to turn steering wheel.
Hi Ken,
You bypassed the mechanics of the security system, but are overlooking the electronics of that system.
The functionality of your vehicle's system is controlled by the PCM.
What happens if you leave the key in the on position when you use your by pass to start the engine ?
That might satisfy the security system which you have not replaced.
By the way, that system still requires a coded key to get that light out .
Just out of curiosity, you have 2 vehicles you are getting involved in, and keep in mind their systems are very different and what you do with one will not work with the other, OK.
You bypassed the mechanics of the security system, but are overlooking the electronics of that system.
The functionality of your vehicle's system is controlled by the PCM.
What happens if you leave the key in the on position when you use your by pass to start the engine ?
That might satisfy the security system which you have not replaced.
By the way, that system still requires a coded key to get that light out .
Just out of curiosity, you have 2 vehicles you are getting involved in, and keep in mind their systems are very different and what you do with one will not work with the other, OK.
Last edited by hanky; Aug 1, 2025 at 07:52 AM.
Hi Ken,
You bypassed the mechanics of the security system-, but are overlooking the electronics of that system.
The functionality of your vehicle's system is controlled by the PCM.
What happens if you leave the key in the on position when you use your by pass to start the engine ?
That might satisfy the security system which you have not replaced.
By the way, that system still requires a coded key to get that light out .
Just out of curiosity, you have 2 vehicles you are getting involved in, and keep in mind their systems are very different and what you do with one will not work with the other, OK.
You bypassed the mechanics of the security system-, but are overlooking the electronics of that system.
The functionality of your vehicle's system is controlled by the PCM.
What happens if you leave the key in the on position when you use your by pass to start the engine ?
That might satisfy the security system which you have not replaced.
By the way, that system still requires a coded key to get that light out .
Just out of curiosity, you have 2 vehicles you are getting involved in, and keep in mind their systems are very different and what you do with one will not work with the other, OK.
Thread
Thread Starter
Forum
Replies
Last Post
BuskingEconoline
Ford Econoline E Series
5
Jul 31, 2025 09:03 PM
mrwarejr
Ford Econoline E Series
2
Feb 8, 2014 12:23 PM



