Ford Ranger The small pickup that has withstood the test of time offering pickup truck usefulness combined with an affordable price.

1994 Ranger No lights No Crank No Start

Thread Tools
 
Search this Thread
 
Old Feb 27, 2025 | 09:36 PM
  #1  
Psycho's Avatar
Thread Starter
|
Junior Member
Joined: Dec 2019
Posts: 11
From: Colorado
Default 1994 Ranger No lights No Crank No Start

I recently changed out my Ignition key cylinder The truck started up before I did it, but now it doesn't do anything. No electrical going into cab but I can turn the engine over with a Jumper button.
 
Old Feb 27, 2025 | 10:07 PM
  #2  
heiko's Avatar
Senior Member
Joined: Feb 2024
Posts: 1,242
From: California
Default


OK button not clickable because Engine is not selected, check my signature below to see why. Also specify is it super cab or regular cab.

Additionally:
1) Why you changed the ignition lock cylinder?
2) What interior electrical device is or isn't working (please also mention the key position, OFF/RUN)?
a) dome light
b) dash light (it should illuminate when you turn on the parking light)
c) instrument cluster back light
d) radio
e) cigar lighter plug
f) hazard light
g) parking light
h) low beam
i) high beam
j) flash-to-pass high beam
k) horn
3) Exterior light
a) hazard (when you press the button, verify from outside whether or not the light is flashing)
b) parking light
c) power door lock
You don't have to test all of them, some of them you already know the answer without testing.
 

Last edited by heiko; Feb 27, 2025 at 10:20 PM.
Old Feb 28, 2025 | 08:14 AM
  #3  
Psycho's Avatar
Thread Starter
|
Junior Member
Joined: Dec 2019
Posts: 11
From: Colorado
Default missing info in thread

its a 94 Ranger 4x4 4.0 with no power what so ever to everything. I can turn the engine over with a jumper button off the ignition solenoid. I changed out the Key cylinder cause the it stopped springing back from the start position.
 
Old Feb 28, 2025 | 01:21 PM
  #4  
heiko's Avatar
Senior Member
Joined: Feb 2024
Posts: 1,242
From: California
Default

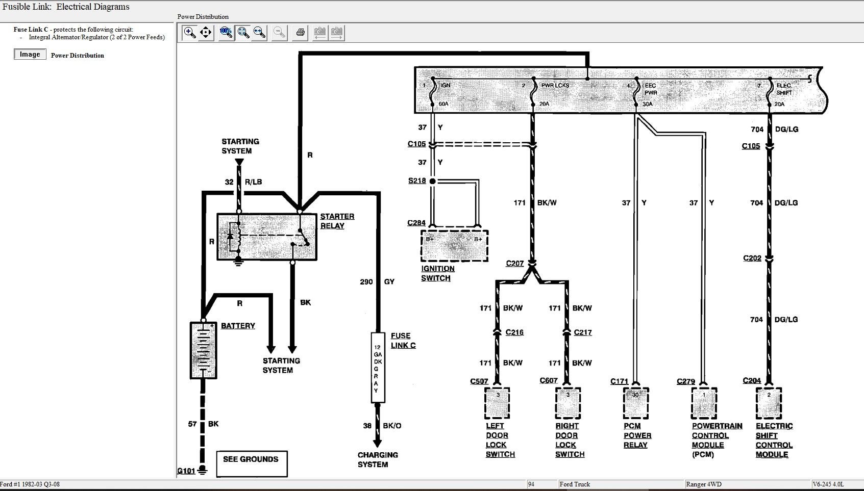
When you use a remote starter switch to test, that bypasses ignition switch, fuse box and your range sensor, and so long as your battery is in ok condition, you are basically bench testing your starter motor and there is no surprise that it worked. Let's find out why there is no power everywhere else and when the power is restored your no crank no start issue might get fixed by itself.






First slow charge your battery and make sure it's fully charge to begin.
I'd check and clean all ground points first using 91% isopropyl alcohol and wire brush, then go over the fusible link and all high amp fuses. When you get to test all the fuses remove and test with a ohmmeter check continuity at the very least.
If you need more diagrams please request.

Try not to take any shortcuts, but when you test the power distribution it's fine to also take shortcut and check on circuit 37 (Y) as shown below. This should be hot at all time and absolutely no continuity (use ohmmeter to check resistance) to chassis ground (use the metal housing of your steering column)
 
Attached Files
File Type: pdf
Locations-FULL.pdf (453.1 KB, 53 views)
File Type: pdf
Fuse-Electrical.pdf (449.0 KB, 258 views)

Last edited by heiko; Feb 28, 2025 at 01:32 PM.
Old Feb 28, 2025 | 10:14 PM
  #5  
Psycho's Avatar
Thread Starter
|
Junior Member
Joined: Dec 2019
Posts: 11
From: Colorado
Default

Thank you. I guess I have my work cut out for me on this one
 
Old Feb 28, 2025 | 11:21 PM
  #6  
heiko's Avatar
Senior Member
Joined: Feb 2024
Posts: 1,242
From: California
Default

If you don't get 12v at B+ terminal (circuit 37) at your ignition switch, then look at the 1st wiring diagram above you can see circuit 37 to 60A, check there using voltmeter, should be hot at all time. Basically check ENTIRE circuit 37 (should have attached all that already previously), including the one labeled EEC/PWR (30A) on 1st wiring diagram above.
 
Related Topics
Thread
Thread Starter
Forum
Replies
Last Post
R404804
Ford Econoline E Series
20
Sep 30, 2024 02:30 PM
sludgemonger
Ford Ranger
4
Jan 12, 2011 10:42 PM
fordman83
Ford Ranger
1
Nov 28, 2010 08:04 PM
country2
Ford Ranger
0
Apr 1, 2008 01:01 PM
aloneranger
Ford Ranger
1
Mar 18, 2008 04:07 PM




All times are GMT -5. The time now is 05:21 AM.