91 f250 5.8 No power to dash
No power to dashboard or fuel pump. I put the key in the ignition and can hear the faint beep that let's you know the key is in. I can crank the starter but nothing is on so it won't start. I had a loose battery terminal. I cleaned and reconnected it. Prior to this instance for the past day or so it was doing this same thing but everything would eventually come on after turning the key a bunch of times and banging on the steering wheel. No seemingly loose wires. No blown fuses. Any other ideas?
Side note: the way I start this truck is by turning the key all the way to on then holding down a button to crank the starter.
Side note: the way I start this truck is by turning the key all the way to on then holding down a button to crank the starter.
There is a first time for a lot of things and this may be one of them. What button are you holding down?
If this is not something that was added on to the vehicle, you simply have a poor connection SOMEPLACE ????? ,could be supplied power OR ground..
There were some systems that required an override button be depressed. This is an add on safety feature. Please describe that button, thanks.
If this is not something that was added on to the vehicle, you simply have a poor connection SOMEPLACE ????? ,could be supplied power OR ground..
There were some systems that required an override button be depressed. This is an add on safety feature. Please describe that button, thanks.
Last edited by hanky; Jun 4, 2025 at 07:58 PM.
You have 4 or 5 gauges?
4: Fuel / Voltmeter / Coolant Temp / Oil Pressure
5: Fuel / Coolant Temp / Oil Pressure / Tachometer / Voltmeter
You said no power to dashboard please be a little more specific.
instrument cluster only?
How about the illumination of your instrument cluster, turn on your parking light, no light at all on cluster?
The button illumination of your climate control?
Cigar lighter?
Can you handle instrument cluster removal or you need help with instructions and diagrams?
4: Fuel / Voltmeter / Coolant Temp / Oil Pressure
5: Fuel / Coolant Temp / Oil Pressure / Tachometer / Voltmeter
You said no power to dashboard please be a little more specific.
instrument cluster only?
How about the illumination of your instrument cluster, turn on your parking light, no light at all on cluster?
The button illumination of your climate control?
Cigar lighter?
Can you handle instrument cluster removal or you need help with instructions and diagrams?
Last edited by heiko; Jun 4, 2025 at 10:20 PM.
You said no fuse blown. But that doesn't mean F18 is getting 12V in "hot in start or run" when your ignition switch is bad.
1) Go to your fuse box check continuity on F18 (do NOT pull the fuse), red to the exposed tiny terminal on the top left, black to top right, if it beeps your fuse is good continue to (2) below
2) Turn key to RUN, voltmeter black to a good ground source, red to the top left or right of F18 (do NOT pull the fuse), if you get battery voltage continue to (3), otherwise continue on (3c) below
3) Above diagram you can see there is a linkage between ignition switch (i1 terminal) and instrument cluster via circuit 16 (R/LG) wire.
3a) Remove your cluster and disconnect 2 connectors in the back, C250 and C251, if you need help on the removal check the relevant PDF attached below.
3b) Turn key to RUN, voltmeter black to a good ground source, red to C251 connector terminal 14 or terminal 12 (make sure it's R/LG wire), you expect to get battery voltage
3c) Check on the 2 grounds on your instrument cluster C250 terminal 3 and 7, check diagram below. Ohm meter set the dial to 200 Ω, black to good ground source, red to terminal 3 of C250, and expect 0.1 to 2.0 ohm. Do the same for terminal 7.
Note the year 92 shown on the bottom. Somehow the instrument cluster connector diagram is not available in my alldata software when I set it to 1991 F-250. That's also why on step (3b) above I mentioned to check either terminal 14 or 12, as long as it's R/LG wire.
4) When key in run and you don't get battery voltage at F18, you need to bench test your ignition switch. Look at the top diagram again you can see a linkage between ignition switch's i1 terminal and fuse panel via circuit 16 (R/LG wire).
Without removing the electrical connector of the ignition switch, ohm meter set the dial to 200 Ω, black to i1 terminal (use alligator clip if needed), red to the fuse panel with R/LG wire (use back probe pin if needed), expect 3ohm or less. If this wire is bad, all devices that rely on switched power source (key in RUN) are affected. Ignition switch shown below:
5) Bench test the ignition switch below.
You will need to remove it for bench test, and solely continuity check. Closed circuit above refers to continuity exists and it beeps. You will need to manually turn the **** to different position by hand and you need to pass ALL or you have a bad switch. Never forget to test all wiring and connectors, do a pull test if needed.
One at a time, restore the power first.
Last edited by heiko; Jun 5, 2025 at 11:59 AM.
Thank you heiko. Im trying all of that now. Currently removing my instrument cluster.
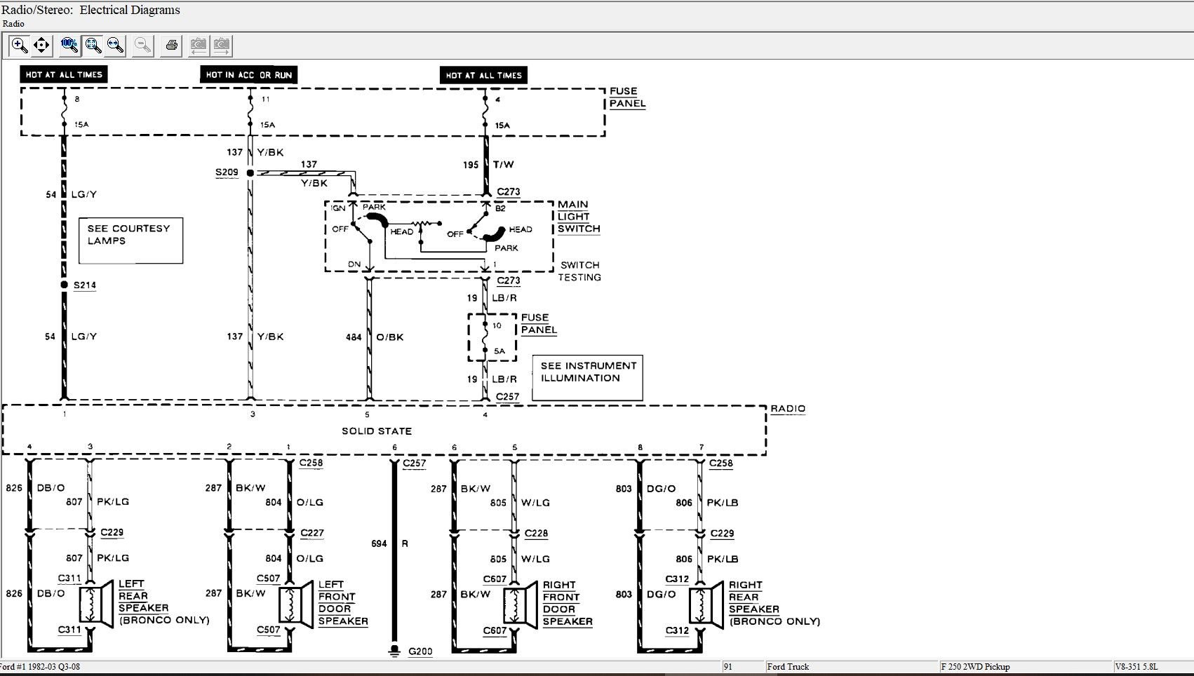
I forgot to add something that may be related. A few months ago my radio seemingly out of nowhere wouldn't shutoff anymore. Even after I removed the key. It would cause my battery to drain and die. The battery still holds a charge enough to start my truck. Currently it reads 10 volts. If I press the starter button, the starter works just fine. It's an after market head unit.
And now that i think about it, the battery normally would be fully dead by now after sitting for this many days.
I forgot to add something that may be related. A few months ago my radio seemingly out of nowhere wouldn't shutoff anymore. Even after I removed the key. It would cause my battery to drain and die. The battery still holds a charge enough to start my truck. Currently it reads 10 volts. If I press the starter button, the starter works just fine. It's an after market head unit.
And now that i think about it, the battery normally would be fully dead by now after sitting for this many days.
Look at F11 and Y/BK wire. Your aftermarket HU should have, on power source, a 12v constant, and a acc (switched power source). When the ACC is connected to constant 12v then it can't shut off with the ignition switch.


