Bright lights won't turn on
I am having trouble with my 2020 F-350 where the blue light on the dash comes on when I turn on high beams and the fog lights turn off but nothing else happens. All of the dealerships around me say they are 3-4 weeks out to even look at the truck and I have to leave it with them until they get time. So I'm stuck driving with low beams and it is harder than I thought. :-) Anything I can do to figure this out?
All 4 bulbs are on when the lights are on dim so nothing thinking it is bulb related and both stopped working together so sorta strange.
Thanks,
Glenn
All 4 bulbs are on when the lights are on dim so nothing thinking it is bulb related and both stopped working together so sorta strange.
Thanks,
Glenn
I believe your vehicle has daytime running lights. They should come on whenever the vehicle is started and placed in gear. Do you know if they are coming on? The daytime running lights use the hi beams ,only at reduced voltage. Need to know if they are working. There is a fuse in the central junction box for this feature (15 amp)
Not knowing if you can check this or not, that is where I would start looking.
Not knowing if you can check this or not, that is where I would start looking.
Yes, I do believe they are on. I'm also a bit confused, does that mean the high beams are actually on? If so, the fog lights only come on at night and they turn off when I try to put into high beam. What is the fuse labeled as I've looked all over the book for anything related to lights and haven't found any fuses at all.
Thanks,
Glenn
Thanks,
Glenn
Some states have laws that prevent hi beam and fog lights from being on at the same time to prevent blinding oncoming drivers.
The fuse is located in the central junction box and is not labeled.
Suggest you have someone with the equipment and knowledge check your vehicle.
There is more here than you are equipped to handle.
The fuse is located in the central junction box and is not labeled.
Suggest you have someone with the equipment and knowledge check your vehicle.
There is more here than you are equipped to handle.
I guess you missed the whole point in me posting here. NO DEALER will look at the truck. I've contacted 4 different dealership at this point and they've all told me I have to bring my truck and leave it with them and that it will be 2-3 weeks before they can even look at it. That is the most ridiculous thing I've ever heard. I need my truck and apparently need to learn how to fix it myself.
Do you have halagen or LED headlights? Do you have a voltmeter? Do you have a capable scan tool to test modules with? Do the running lights work? Does the dash light come on when the low beams are turned on?
Most importantly are you still under base warranty?
Most importantly are you still under base warranty?
LED, Yes I have voltmeter, please give me example of capable scanning tool and I will buy it. Yes the running lights work. When the lights are on I only see two green lights icon that shows lines shining to the left and right of the two lights and the fog light icon on left. Sorry, a confusing icon so not sure what it is telling me. If I place the lights on bright the blue light comes on to show I am on bright and the fog lamp icon goes off. The two small light icons described stay on throughout process. On the truck itself, the only thing that happens is the fog lights turn off when on bright and come back on when I dim lights. Yes I am still under warranty, but again, they won't offer reasonable service and it is dangerous driving without lights. So have to do what I have to do.
Thanks,
Glenn
Thanks,
Glenn
Due to the extensive modules in current vehicles there are lots of tests that higher end scan tools can do to, including confirming input signals are received and clearing fault codes. People seem to like ForScan, its a OBD2 computer based program that sounds similar to the actual dealer program. For example I just replaced a AC actuator and had to clear the fault codes before the module would calibrate the new actuator.
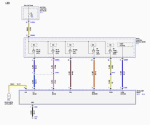
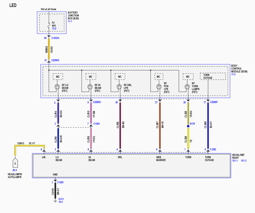
Here are the wiring diagrams, you should check for voltage at both of the high been wires.
While it sucks for customers more people are repairing their vehicles instead of trading them in for new vehicles which are now rarer. This causes there to be a service backlog and dealers are a first come first serve.
Here are the wiring diagrams, you should check for voltage at both of the high been wires.
While it sucks for customers more people are repairing their vehicles instead of trading them in for new vehicles which are now rarer. This causes there to be a service backlog and dealers are a first come first serve.
Thread
Thread Starter
Forum
Replies
Last Post
GladiatorF150
Ford F-150
4
Jan 19, 2021 03:46 PM



