Ford Freestar The latest minivan entry for Ford provides all of the technology in family vehicles with a smooth styling.

2004 Freestar blowing a fuse, won't crank

Thread Tools
 
Search this Thread
 
Old Aug 23, 2024 | 10:23 AM
  #1  
DewyB's Avatar
Thread Starter
|
Junior Member
Joined: Aug 2024
Posts: 4
From: Somewhere in sweltering Alabama
Unhappy 2004 Freestar blowing a fuse, won't crank

This is a bit of a long tale as I have been tinkering for 3 weeks trying to work this issue out, so grab a coffee before trying to read it all.

Van was driving along just fine when I hit a moderate bump on the road, and it just died. I put it in neutral and tried cranking it, but no luck. Coasted to a stop near my mother-in-laws and while everything electrical worked (headlights, windows, door locks, radio, ect), turning the ignition key just gave a single click, no starter response at all.

I had it pulled to my Mother-in-laws place and have been scouring the internet for solutions with little luck. One forum post had me pull the starter relay and use a jumper wire to test the starter, and it works fine, engine spins, no crank. This fine forum led me to scouring the paint under the ground wires and now the starter works when turning the key (about 2 out of 5 tries, but I think that's a different issue) but still no crank.

Tested with ether/ starting fluid and it tried to crank, so we're getting fire, but apparently not fuel. I can hear the tank fuel pump engaging, but am unsure if there is a second pump and haven't found a valve to purge air/ show fuel at the fuel rail.

I bought a cheap ODB2 reader but it just says "ERROR" as if it can't connect with the PCM, so that had me checking the fuses to the PCM and #43 was blown. I replaced it with another 15 amp fuse and it blew upon trying another crank. Fuse #43 is "Engine #2 (Cooling fan relays, Injectors, PCM, MAF sensor, IAC, Ignition coil, ESM)" and I don't even know where to start chasing a short on that many items. Looking up wiring diagrams just added confusion.

I'm thinking I'm going to have to replace my ignition switch before this is all resolved, but from what I gather, I'm going to need the PCM communicating before that can be resolved. Does anyone have any tips, tricks, helpful suggestions to help a non-mechanic work thru this, or is there more info I could provide that would help diagnose the issue?

 
Old Aug 23, 2024 | 12:04 PM
  #2  
heiko's Avatar
Senior Member
Joined: Feb 2024
Posts: 1,215
From: California
Default

Check my signature below. 3.9L or 4.2L?
Don't buy a new ignition switch.
Do you have a multimeter?
 
Old Aug 23, 2024 | 01:55 PM
  #3  
DewyB's Avatar
Thread Starter
|
Junior Member
Joined: Aug 2024
Posts: 4
From: Somewhere in sweltering Alabama
Default

It's the 3.9L V-6
I do have a small, basic multimeter, AC/DC volts and impedance.
It's a 2004 Ford Freestar SES, automatic transmission, front wheel drive.

Edit:
I am planning on holding off buying an ignition switch until I am sure I can connect with the PCM and program new keys if required.
I'm daring enough that I might just wire in a momentary switch for the starter if that got us back running!
 

Last edited by DewyB; Aug 23, 2024 at 02:36 PM.
Old Aug 23, 2024 | 03:29 PM
  #4  
heiko's Avatar
Senior Member
Joined: Feb 2024
Posts: 1,215
From: California
Default

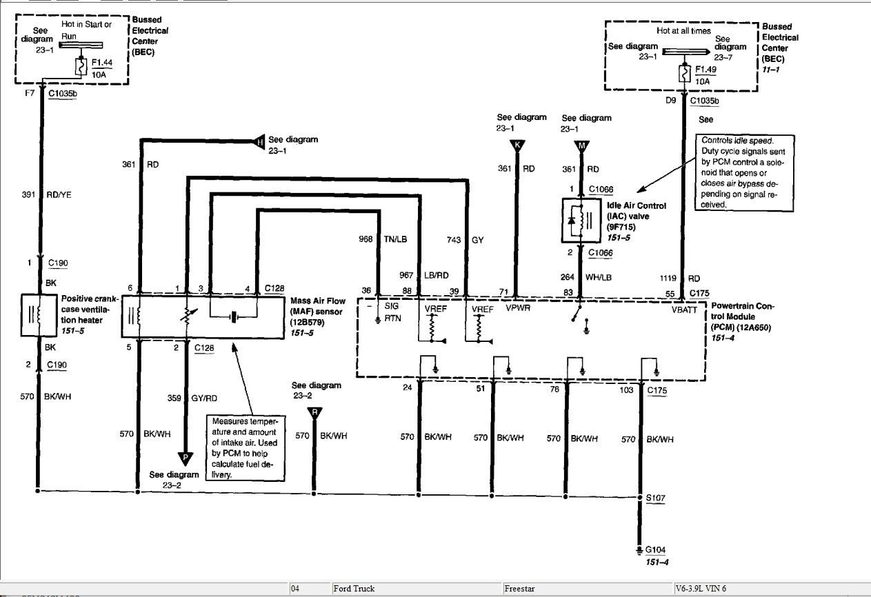
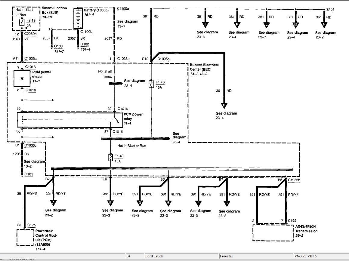
Diagram 23-4 above.

Have you checked all other fuses yet? Look at the F1.43 above.

Diagram 23-1 Below:

 

Last edited by heiko; Aug 23, 2024 at 07:59 PM.
Old Aug 23, 2024 | 04:20 PM
  #5  
DewyB's Avatar
Thread Starter
|
Junior Member
Joined: Aug 2024
Posts: 4
From: Somewhere in sweltering Alabama
Default

Have you checked all other fuses yet? Look at the F1.43 above.
If F1.43 is Fuse #43 from the Power Distribution Box under the hood, it was blown, and blew a replacement I installed the next time I tried to crank it.

 
Old Aug 23, 2024 | 05:35 PM
  #6  
heiko's Avatar
Senior Member
Joined: Feb 2024
Posts: 1,215
From: California
Default

You need to remove the Fuse 43 and test for continuity and resistance to find out where circuit 361 is shorting the fuse 43, you just need to be in RUN position, don't need START. At RUN position you blew any fuse at Fuse 43 thus far? At the PCM you test pin 71, the red wire circuit 361, check for short to ground in RUN and START position one at a time.


Locate C175 above at upper left.
 

Last edited by heiko; Aug 23, 2024 at 05:43 PM.
Old Aug 23, 2024 | 06:26 PM
  #7  
DewyB's Avatar
Thread Starter
|
Junior Member
Joined: Aug 2024
Posts: 4
From: Somewhere in sweltering Alabama
Default

I will have to remove the cowl for that, will put it on the to-do list tomorrow, first thing, thank you!
 
Old Aug 23, 2024 | 07:23 PM
  #8  
hanky's Avatar
Senior Member
Joined: Jun 2010
Posts: 16,556
Default

Could we please see diagram 23-4, thank you..
 
Old Aug 23, 2024 | 07:56 PM
  #9  
heiko's Avatar
Senior Member
Joined: Feb 2024
Posts: 1,215
From: California
Default


Check circuit 361 pin 4 above and see if you get any voltage in RUN.

While fixing the obd port error tomorrow, if you get a chance also check circuit 33 (pin 10 above) with electrical connector disconnected, push down the top and pull, if it's too tight to pull, just push down the tab on top, and use flat head screwdriver and ply the gap between the two connectors, once you get larger gap all around it's easier to pull. This connector is easy to break if not disconnected properly. This is the starter trigger wire from ignition switch and it sits between your ignition switch and your starter solenoid, so test pin 10 and make sure you get voltage while in START position.

Diagram 23-4 above my first post 2nd diagram, I forgot to label that, just revised my post.
 

Last edited by heiko; Aug 23, 2024 at 08:00 PM.
Related Topics
Thread
Thread Starter
Forum
Replies
Last Post
Solar07
Ford Econoline E Series
6
Aug 27, 2023 07:36 PM
Fordtwo
Ford Econoline E Series
29
Apr 23, 2020 05:36 AM
Zach.V
Ford F-250 & Ford F-350
1
Oct 29, 2015 05:31 PM
tbroady2002
Ford Explorer
2
May 20, 2010 12:09 AM
Godzilla
Ford Explorer
3
Feb 2, 2008 09:58 AM




All times are GMT -5. The time now is 07:16 AM.